GM Service Manual Online
For 1990-2009 cars only
Makes
🢒
Pontiac
🢒
2001
🢒
Grand Am
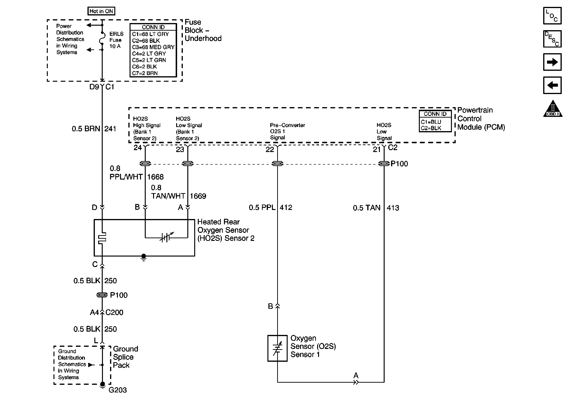
🢒 Power, Ground, HO2S2, O2S1
Power, Ground, HO2S2, O2S1
Power, Ground, HO2S2, O2S1
Master Electrical Component List
Powertrain Control Module Description
Oil Pressure Sensor, IAC, PNP, and Generator
Power, Ground, EVAP and EGR
OBD II Symbol Description Notice
IGN SW-BATT 1, HTR A/C IGN, ERLS, PCM, ACC, IPC/BFC Fuses
G203