GM Service Manual Online
For 1990-2009 cars only
Makes
🢒
Pontiac
🢒
2001
🢒
Grand Am
🢒 Fuel System
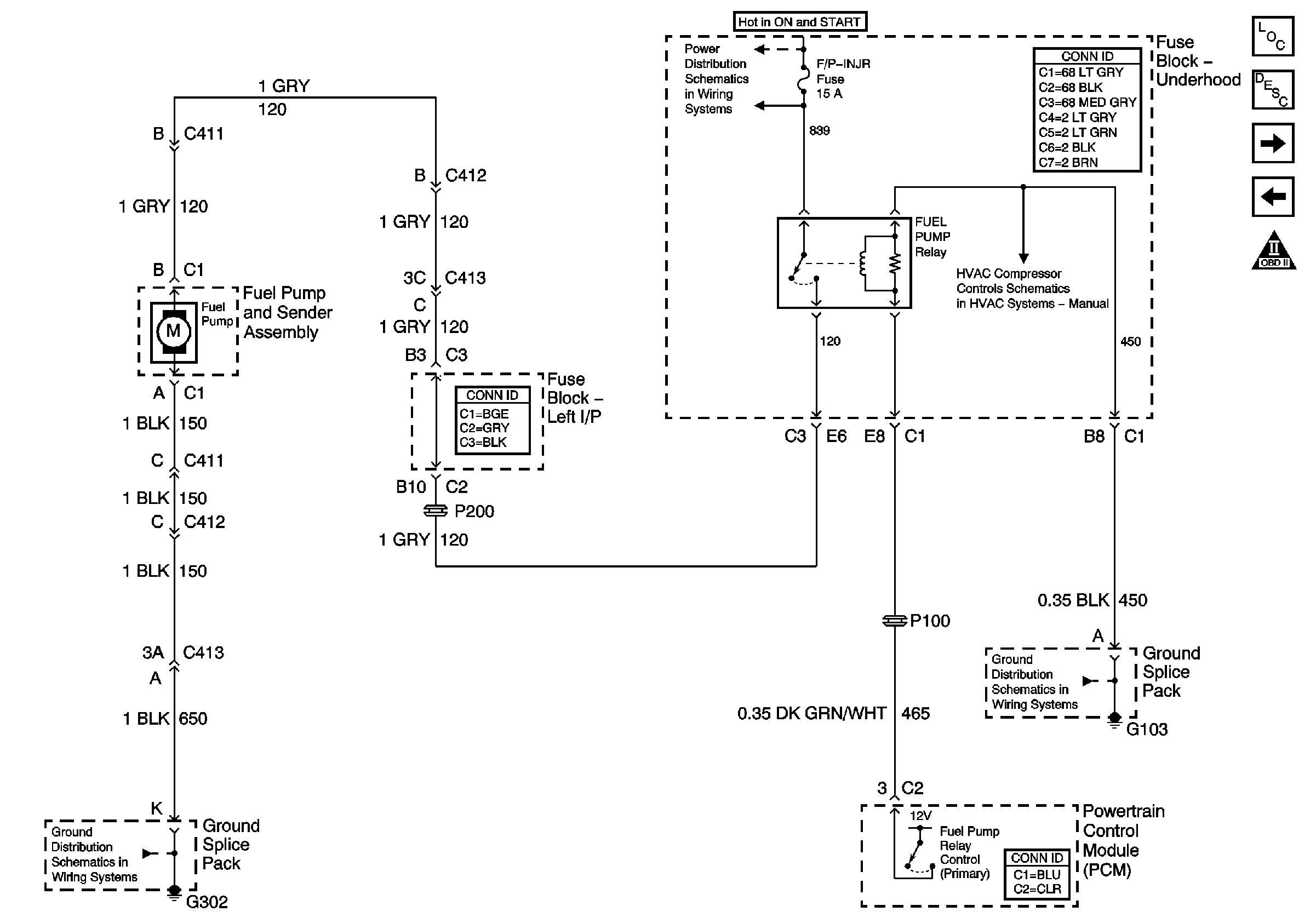
Fuel System
Fuel System
Master Electrical Component List
Powertrain Control Module Description
Power, Ground and Fuel Injectors
Power, Ground, CMP, CKP 24X, CKP 7X, KS and ICM
OBD II Symbol Description Notice
Compressor Controls
G103 and G105
IGN SW-BATT2, WIPER, AIR BAG, TURN LPS, IGN MOD, BU LMP, PCM IGN, F/PINJR, A/C BFC, AUTO TRANS, ABS, IGN Fuses
G302