GM Service Manual Online
For 1990-2009 cars only
Makes
🢒
Pontiac
🢒
2001
🢒
Grand Am
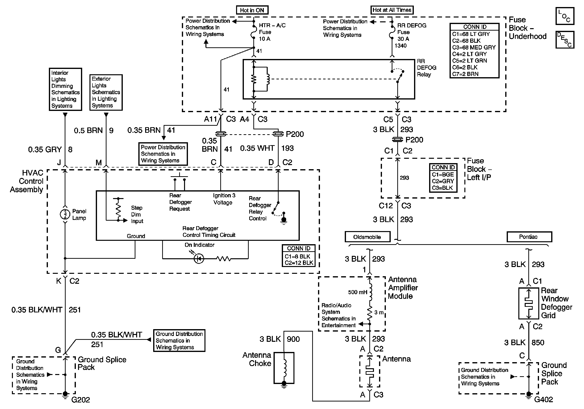
🢒 Defogger Schematics
Defogger Schematics
Master Electrical Component List
Rear Window Defogger Description and Operation
B+ Bus Bar and COOL FAN 2 GROUND (V6) Fuse
G402
Power, Ground, and Antenna
IGN SW-BATT 1, HTR A/C IGN, ERLS, PCM, ACC, IPC/BFC Fuses
G202
IGN SW-BATT 1, HTR A/C IGN, ERLS, PCM, ACC, IPC/BFC Fuses
License Lamps
Instrument Panel Lamps
G202