GM Service Manual Online
For 1990-2009 cars only
Makes
🢒
Pontiac
🢒
2001
🢒
Grand Am
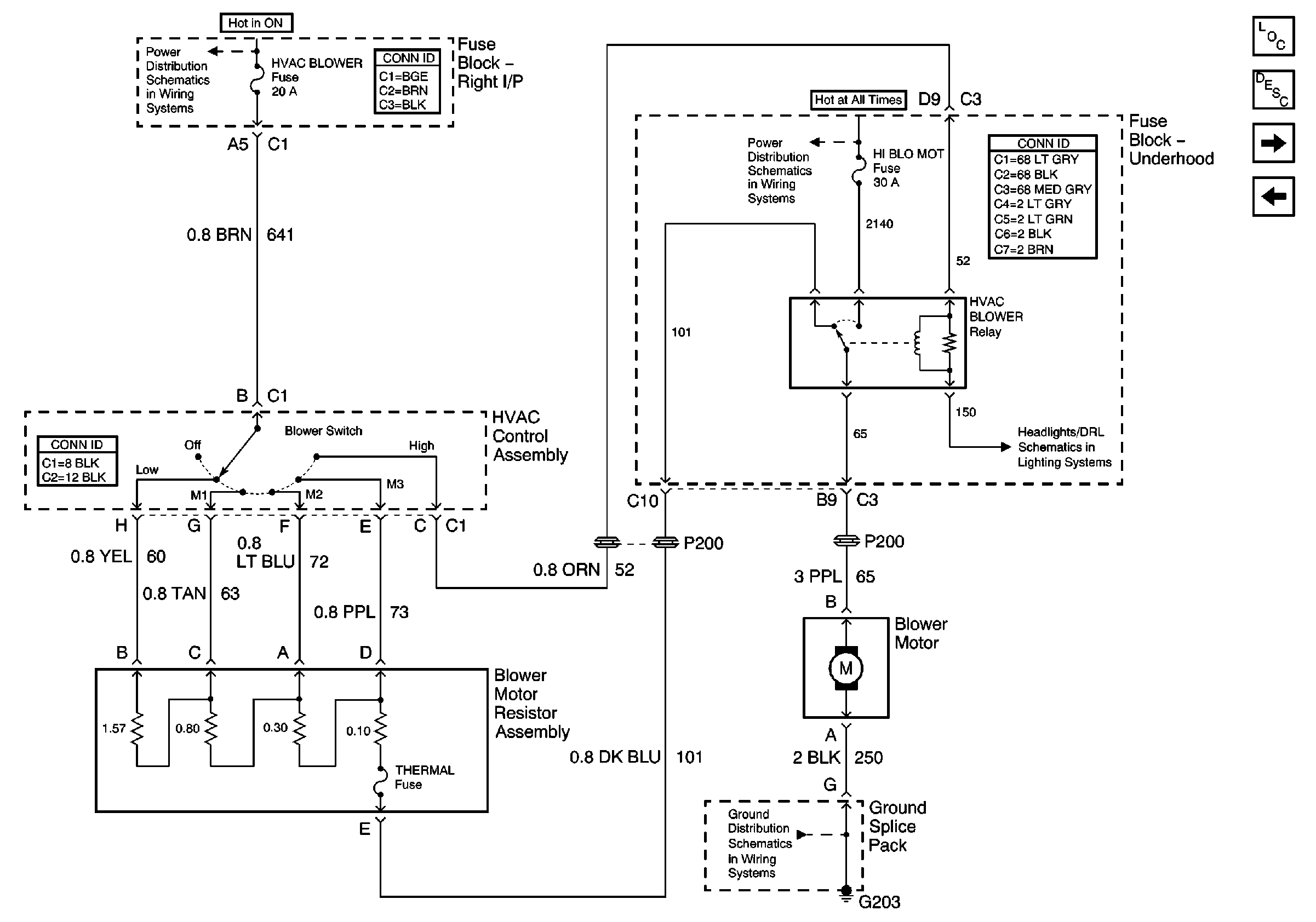
🢒 Blower Motor Controls
Blower Motor Controls
Blower Motor Controls
Master Electrical Component List
Air Delivery Description and Operation
Compressor Controls
Power and Ground
LF Headlamps
B+ Bus Bar and COOL FAN 2 GROUND (V6) Fuse
PWR WNDWS Circuit Breaker, CRUISE SW, Cruise, SUNROOF, HVAC BLOWERFuses
G203