GM Service Manual Online
For 1990-2009 cars only
Makes
🢒
Pontiac
🢒
2001
🢒
Grand Am
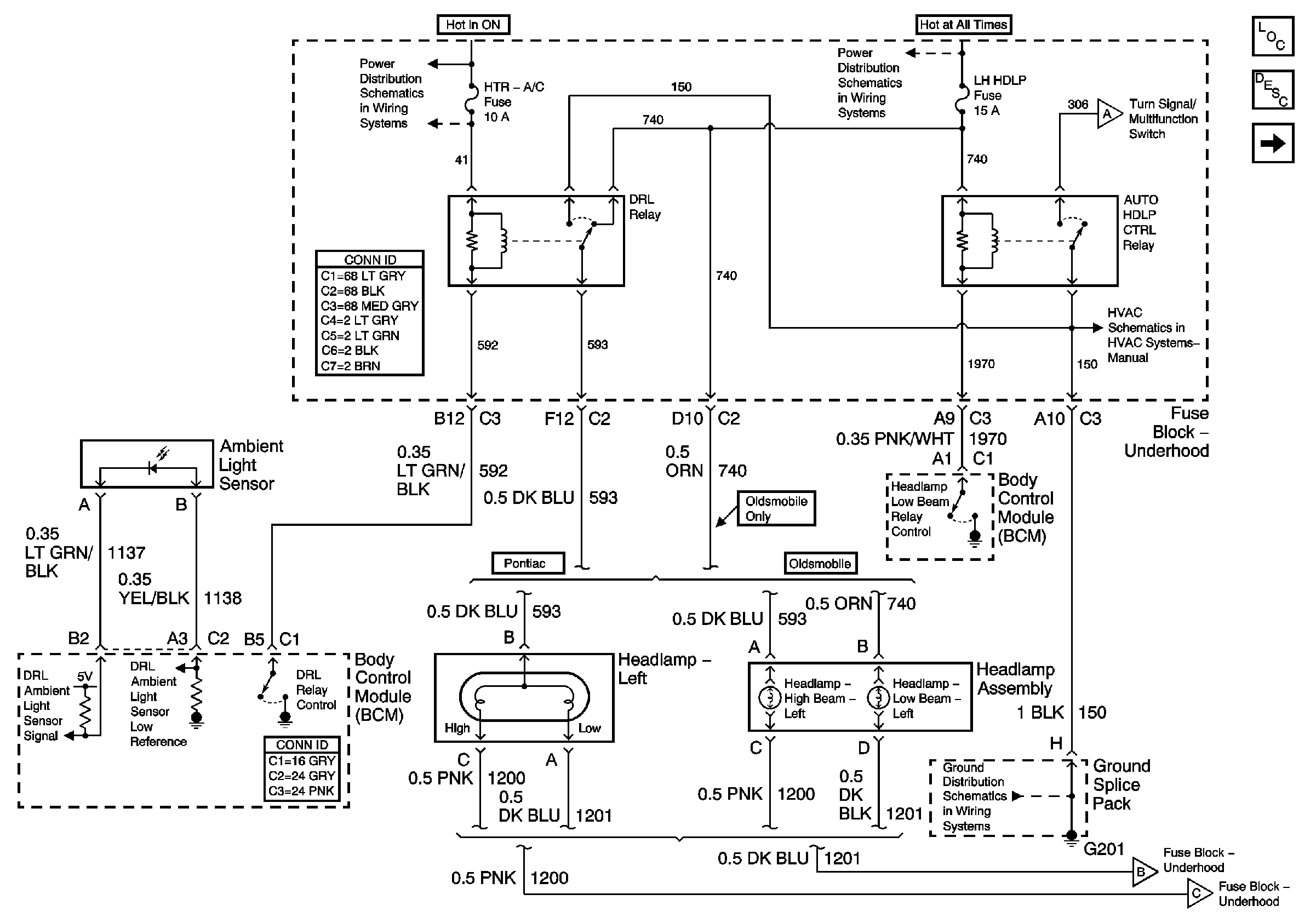
🢒 LF Headlamps
LF Headlamps
LF Headlamps
Master Electrical Component List
Exterior Lighting Systems Description and Operation
RF Headlamps
RF Headlamps
Blower Motor Controls
RF Headlamps
RF Headlamps
G201
RH HDLP, LH HDLP, GEN BATT, LH BEC BATT 2, STOP LPS, HAZARD LPS, IPC/HVACBATT, BFC BATT Fuses
IGN SW-BATT 1, HTR A/C IGN, ERLS, PCM, ACC, IPC/BFC Fuses