GM Service Manual Online
For 1990-2009 cars only
Makes
🢒
Pontiac
🢒
2005
🢒
Grand Am
🢒 Dimmer Controls
Dimmer Controls
Dimmer Controls
Master Electrical Component List
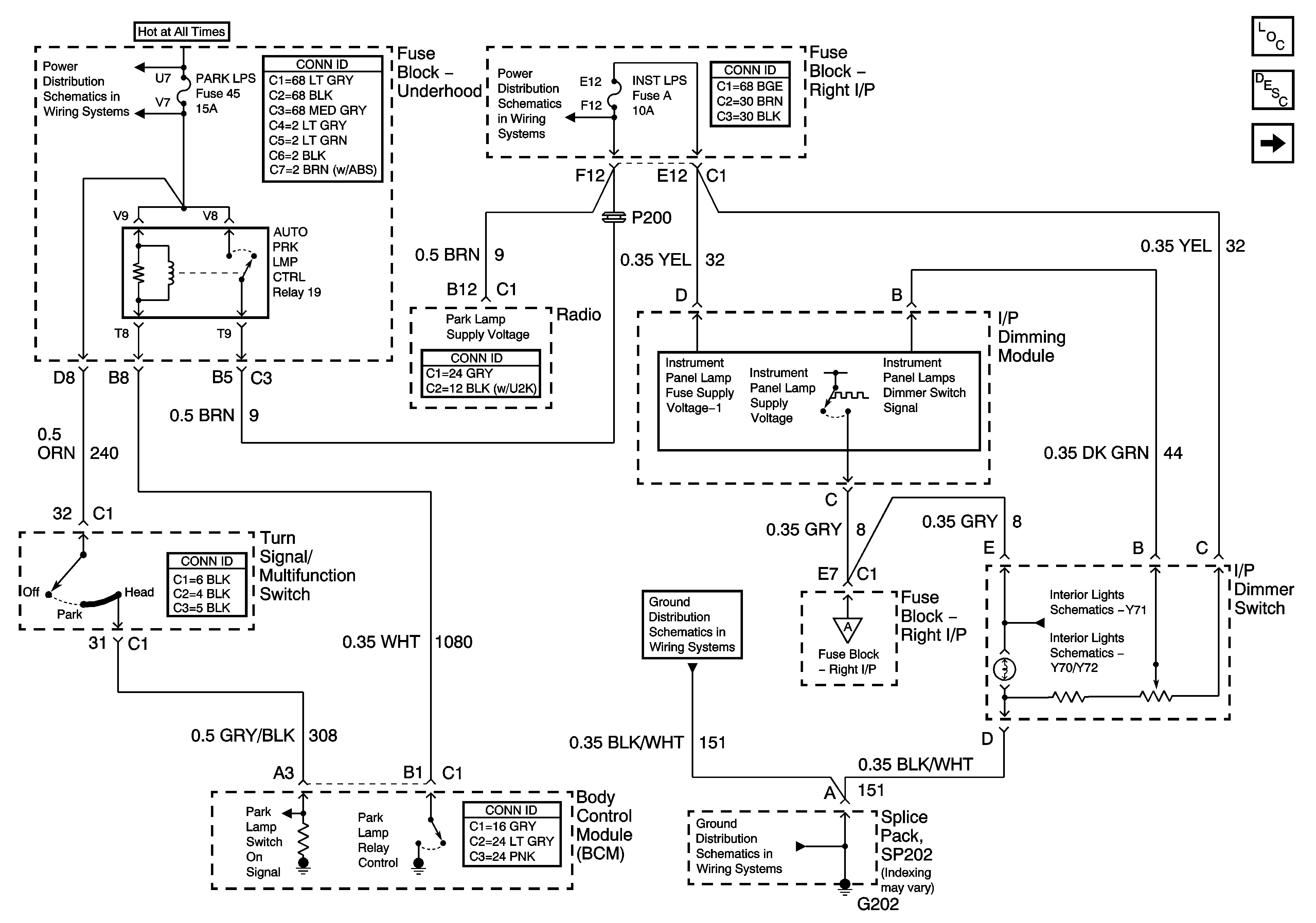
Interior Lighting Systems Description and Operation
Instrument Panel Lamps
L/H BEC BATT1, AUX PWR/CIGAR, PARK LPS, PCM BATT, PWR MIRROR, DR LOCK, TRUNK REL/RFA/Radio Amp Fuses and PWR SEAT Circuit Breaker
INST LPS Fuses
G202
Instrument Panel Lamps
Dome Lamps - Y71
Dome Lamps - Y70/Y72
G202