GM Service Manual Online
For 1990-2009 cars only
Figure 1:

PCM Power and VSS (VIN M)


Object Number: 26695  Size: FS
Automatic Transmission Components
Brake Switch, Solenoids, and TFT Sensor (VIN M)
OBD II Symbol Description Notice
Handling ESD Sensitive Parts Notice
Automatic Transmission Schematic References
Automatic Transmission Schematic References
Automatic Transmission Schematic References
Automatic Transmission Schematic References
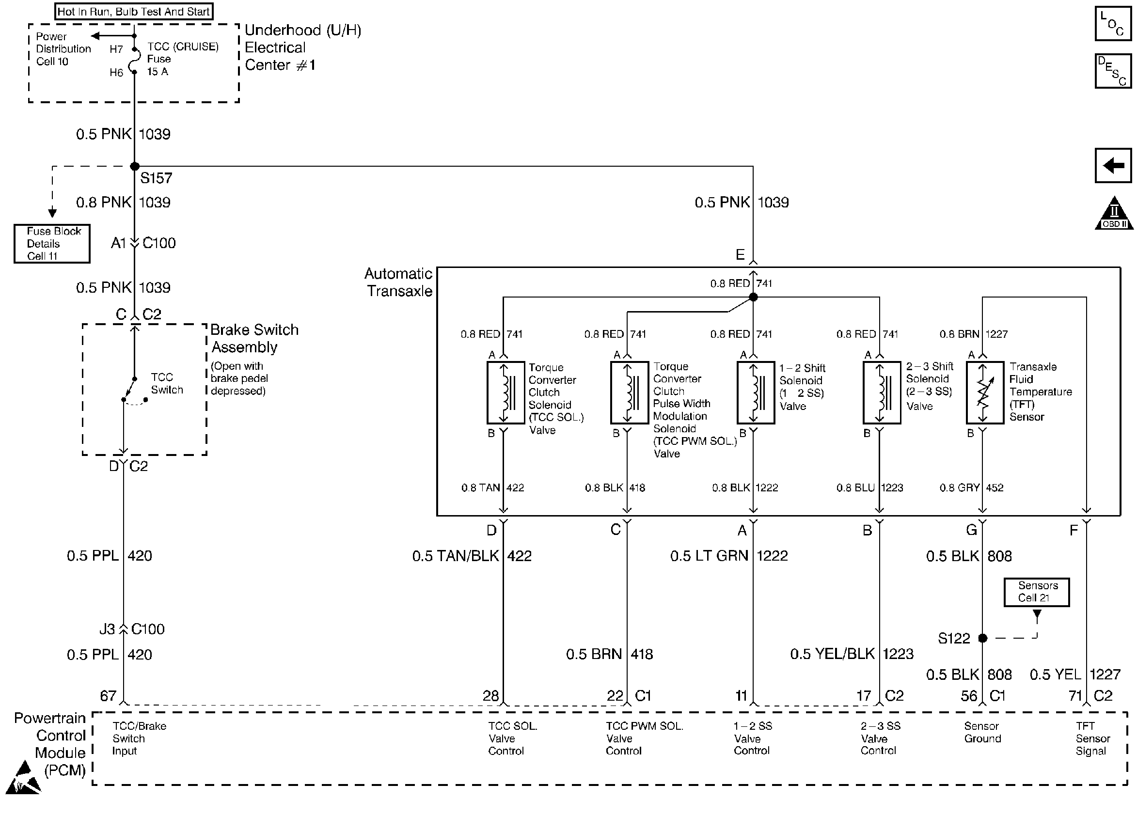
Figure 2:

Brake Switch, Solenoids, and TFT Sensor (VIN M)


Object Number: 26697  Size: FS
Automatic Transmission Components
PCM Power and VSS (VIN M)
OBD II Symbol Description Notice
Handling ESD Sensitive Parts Notice
Automatic Transmission Schematic References
Automatic Transmission Schematic References
Automatic Transmission Schematic References
Figure 3:

PCM Power and VSS (VIN X)


Object Number: 26695  Size: FS
Automatic Transmission Components
Brake Switch, Solenoids, and TFT Sensor (VIN X)
OBD II Symbol Description Notice
Handling ESD Sensitive Parts Notice
Automatic Transmission Schematic References
Automatic Transmission Schematic References
Automatic Transmission Schematic References
Automatic Transmission Schematic References
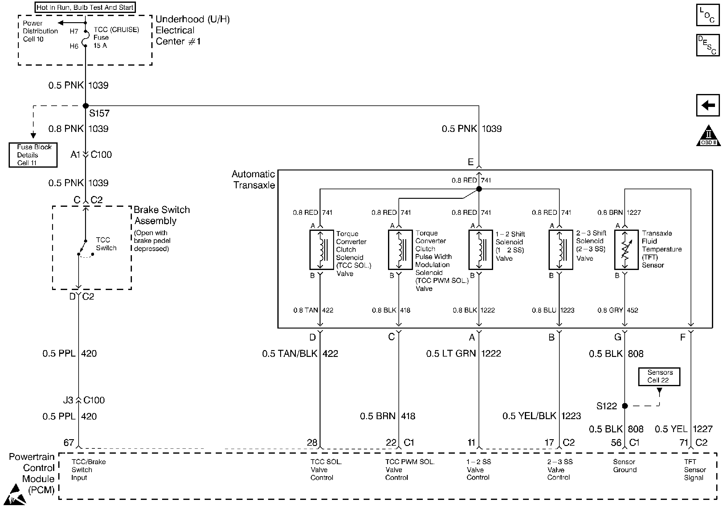
Figure 4:

Brake Switch, Solenoids, and TFT Sensor (VIN X)


Object Number: 26698  Size: FS
Automatic Transmission Components
PCM Power and VSS (VIN X)
OBD II Symbol Description Notice
Handling ESD Sensitive Parts Notice
Automatic Transmission Schematic References
Automatic Transmission Schematic References
Automatic Transmission Schematic References
Figure 5:

PCM Power and VSS (VIN K)


Object Number: 26695  Size: FS
Automatic Transmission Components
Brake Switch, Solenoids, and TFT Sensor (VIN K)
OBD II Symbol Description Notice
Handling ESD Sensitive Parts Notice
Automatic Transmission Schematic References
Automatic Transmission Schematic References
Automatic Transmission Schematic References
Automatic Transmission Schematic References
Figure 6:

Brake Switch, Solenoids, and TFT Sensor (VIN K)


Object Number: 26699  Size: FS
Automatic Transmission Components
PCM Power and VSS (VIN K)
OBD II Symbol Description Notice
Handling ESD Sensitive Parts Notice
Automatic Transmission Schematic References
Automatic Transmission Schematic References
Automatic Transmission Schematic References