GM Service Manual Online
For 1990-2009 cars only
Makes
🢒
Pontiac
🢒
2000
🢒
Grand Prix
🢒
HVAC
🢒
HVAC Systems - Automatic
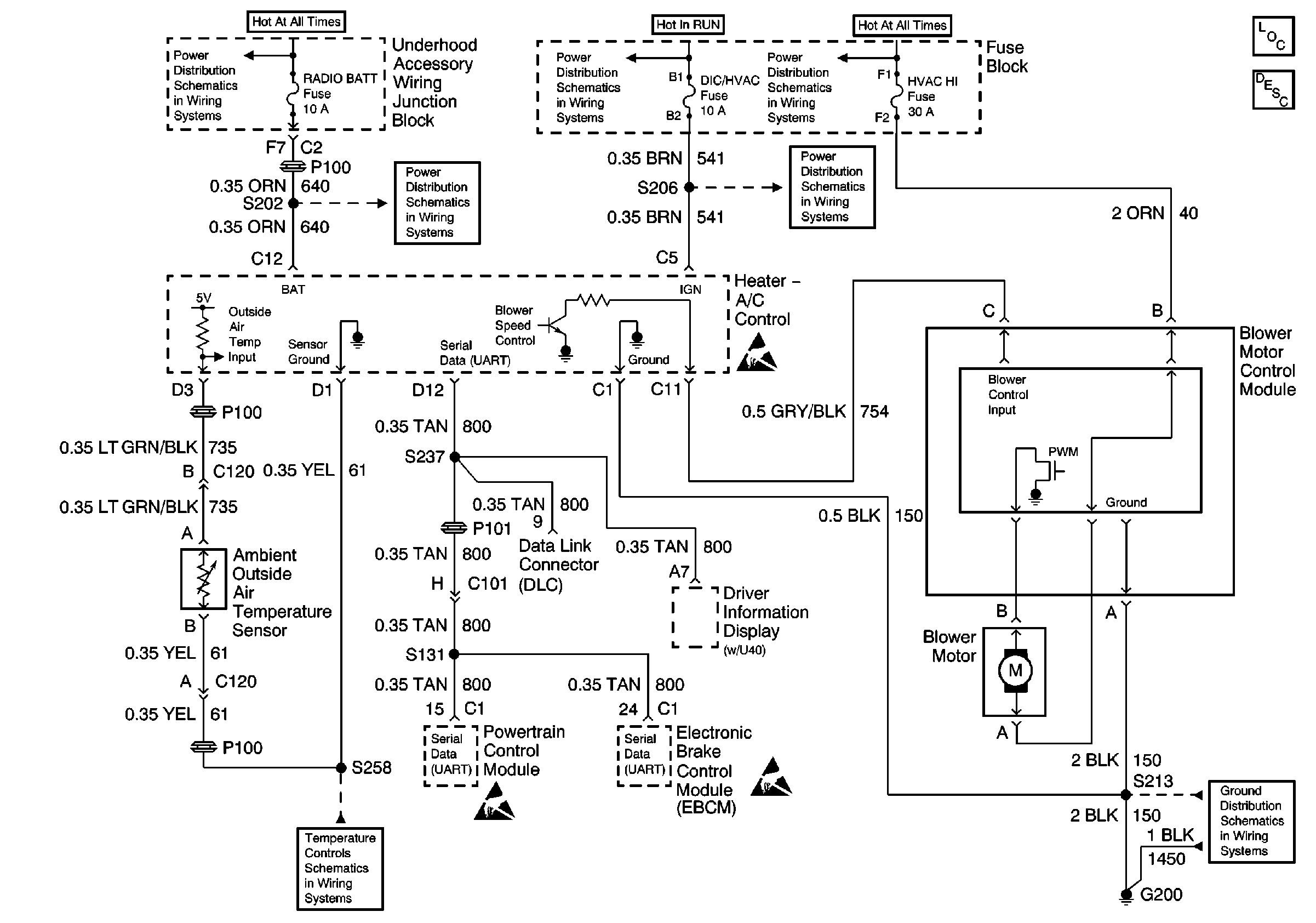
🢒 HVAC Blower Control Schematics
HVAC Components
HVAC Blower Controls Circuit Description
Compressor Controls CJ2
Underhood Accessory Wiring Junction Block, Headlamp Switch, Heater A/C Control, RCDLR, Theft Deterrent Indicator Lamp, Theft Deterrent Shock Sensor and Trip Calculator
DIC/HVAC and HVAC CTRL Fuse
HVAC HI, PWR MIR, HAZARD, RAP, PASSKEY, R DEFOG, H SEAT/LUM, PWR LOCK and RADIO AMP Fuse
DIC/HVAC and HVAC CTRL Fuse
DIC/HVAC and HVAC CTRL Fuse
Sensors
Power, Ground, Serial Data and EBCM
G200 (1 of 4)