GM Service Manual Online
For 1990-2009 cars only
Figure 1:

Radio, Power, Ground and Antenna Module


Object Number: 592811  Size: FS
Entertainment Components
Radio/Audio System Circuit Description
Cell 150: 4 of 5
Cell 14: LH I/P Ground G201
Handling ESD Sensitive Parts Notice
Handling ESD Sensitive Parts Notice
Cell 152
SIR Handling Caution
Cell 11: BTSI, RADIO, SUNROOF, STR WHL CTRL, STR WHL ILUM, WIPER, MALLAND MALL PGM Fuses
Cell 10
Cell 11: RADIO BATT and PARK LP Fuses
Cell 117: Automatic Transaxle Control Position Indicator Bulb, Driver Seat Heater Switch
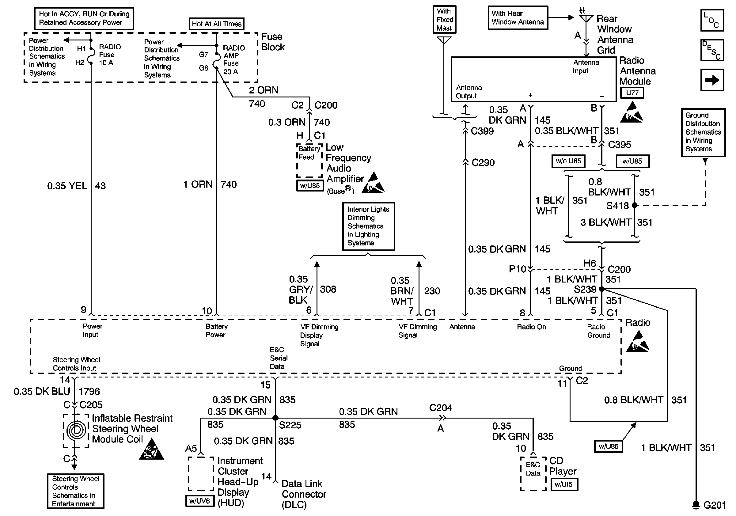
Figure 2:

Radio and UQ3


Object Number: 592813  Size: FS
Entertainment Components
Radio/Audio System Circuit Description
Cell 150: 5 of 5
Cell 150: 4 of 5
Handling ESD Sensitive Parts Notice
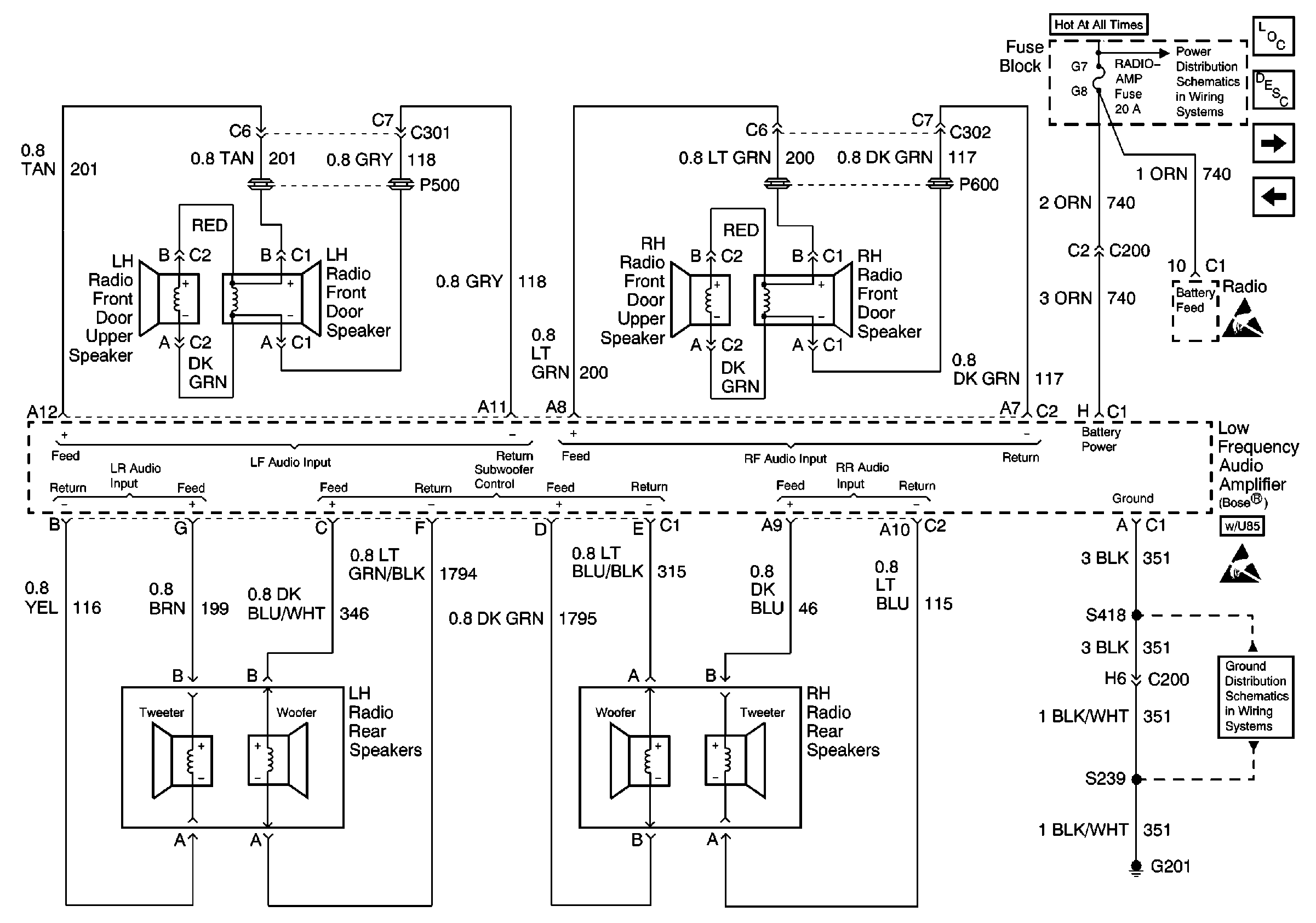
Figure 3:

Radio, Bose Speakers and Low Frequency Audio Amplifier


Object Number: 592814  Size: FS
Entertainment Components
Radio/Audio System Circuit Description
Cell 150: 3 of 5
Cell 150: 2 of 5
Handling ESD Sensitive Parts Notice
Cell 14: LH I/P Ground G201
Cell 11: HVAC HI, PWR MIR, HAZARD, RAP, REAR DEFOG, H SEAT/LUM, PWRLOCK, RADIO Fuses
Figure 4:

Radio, Remote CD Changer and DLC


Object Number: 592816  Size: FS
Entertainment Components
Radio/Audio System Circuit Description
Cell 150: 1 of 5
Cell 150: 3 of 5
Handling ESD Sensitive Parts Notice
Cell 14: LH I/P Ground G201
Handling ESD Sensitive Parts Notice
Cell 11: CD CHNG, AUX CNSL, STOP LAMP, INT LAMP, CIG LTR Fuses
Figure 5:

Radio and Low Frequency Audio Amplifier


Object Number: 592819  Size: FS
Handling ESD Sensitive Parts Notice
Entertainment Components
Radio/Audio System Circuit Description
Cell 150: 5 of 5
Cell 14: LH I/P Ground G201