GM Service Manual Online
For 1990-2009 cars only
Makes
🢒
Pontiac
🢒
2000
🢒
Grand Prix
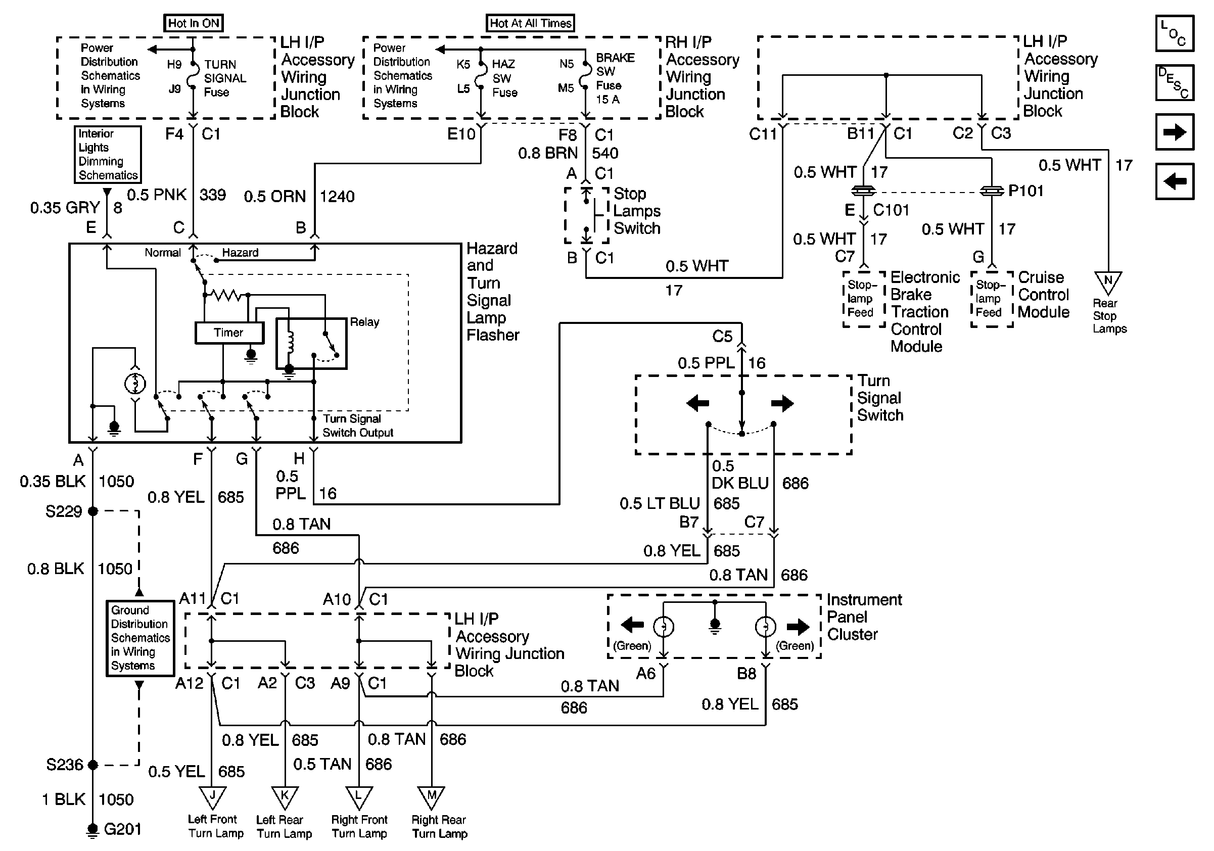
🢒 Turn/Hazard Lamps Control - 2 Door
Turn/Hazard Lamps Control - 2 Door
Turn/Hazard Lamps Control -- 2 Door
Stationary Windows Components
Exterior Lights Circuit Description
Front Park, Turn/Hazard Lamps - 2 Door
Rear Lamps - 4 Door
ABS/PCM, STOP, TURN SIGNAL and SRS Fuses
BCM and Headlamp Switch
C/LTR, AUX PWR, HAZ SW, BRK SW and HVAC BLO Fuses
G201 (1 of 2)
Front Park, Turn/Hazard Lamps - 2 Door
Rear Lamps - 2 Door
Front Park, Turn/Hazard Lamps - 2 Door
Rear Lamps - 2 Door
Rear Lamps - 2 Door