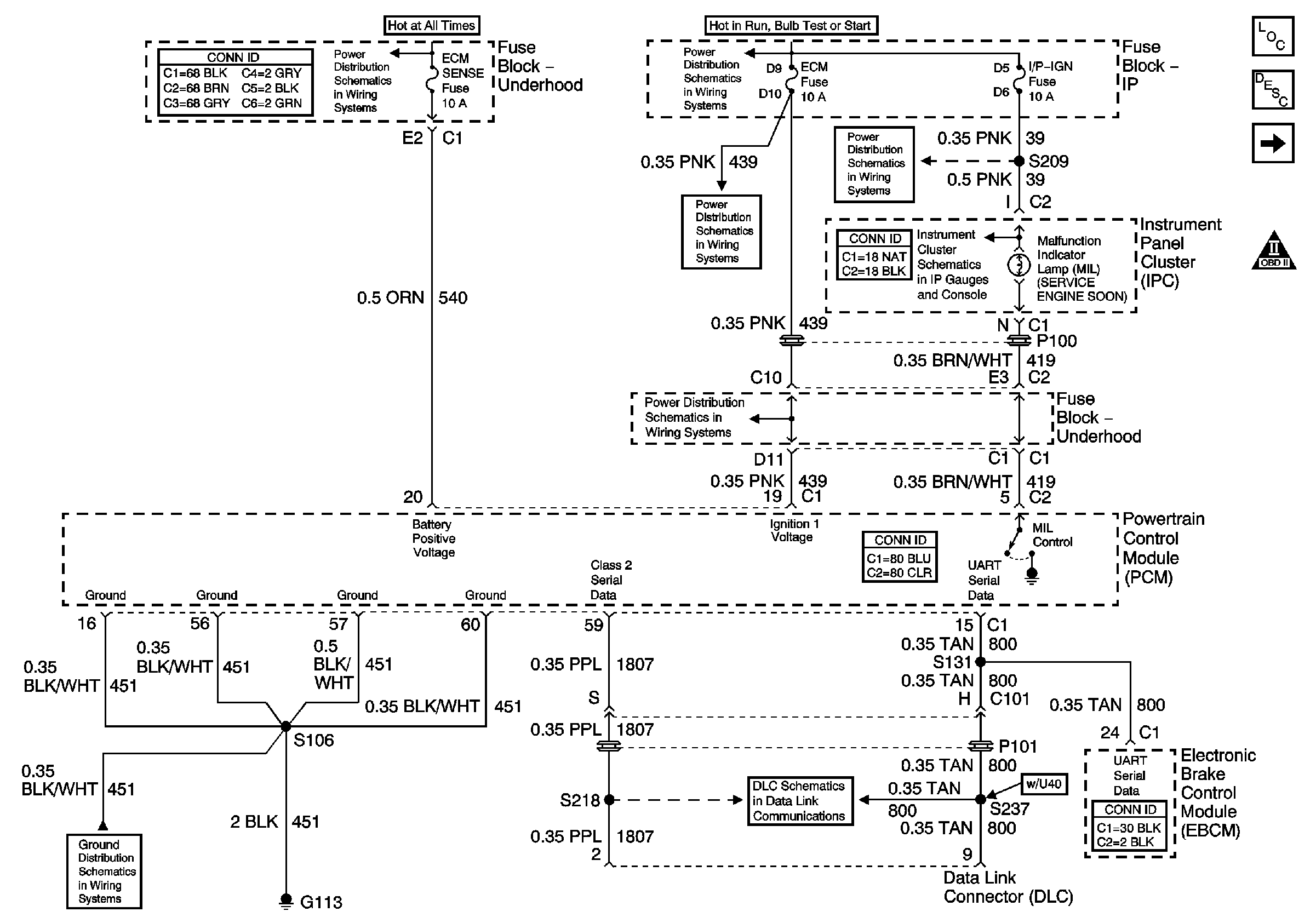
| Figure 1: |
PCM Power and Ground
|
| Figure 2: |
Ignition Control Module
|
| Figure 3: |
Fuel Control
|
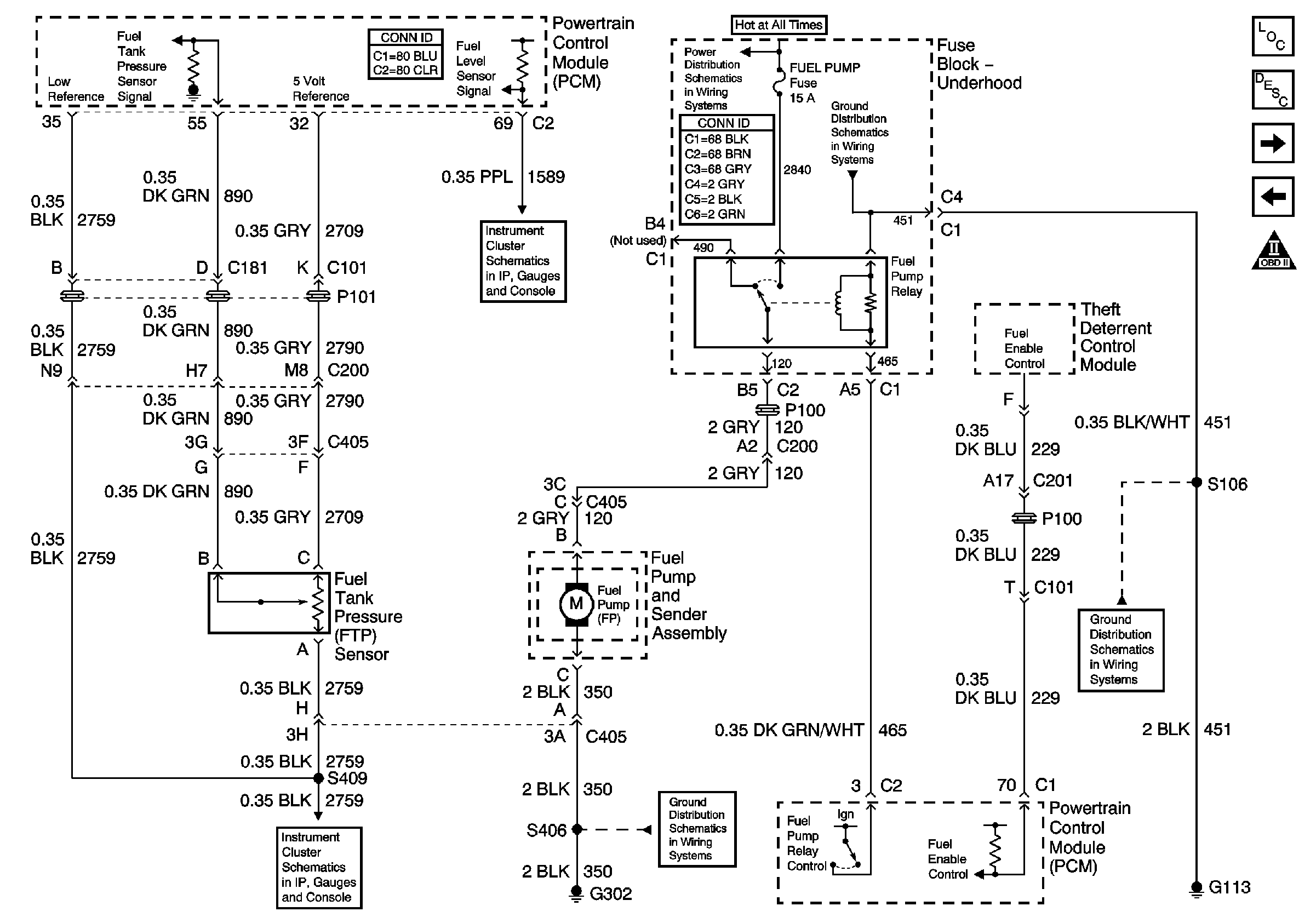
| Figure 4: |
Fuel Injectors
|
| Figure 5: |
Sensors
|
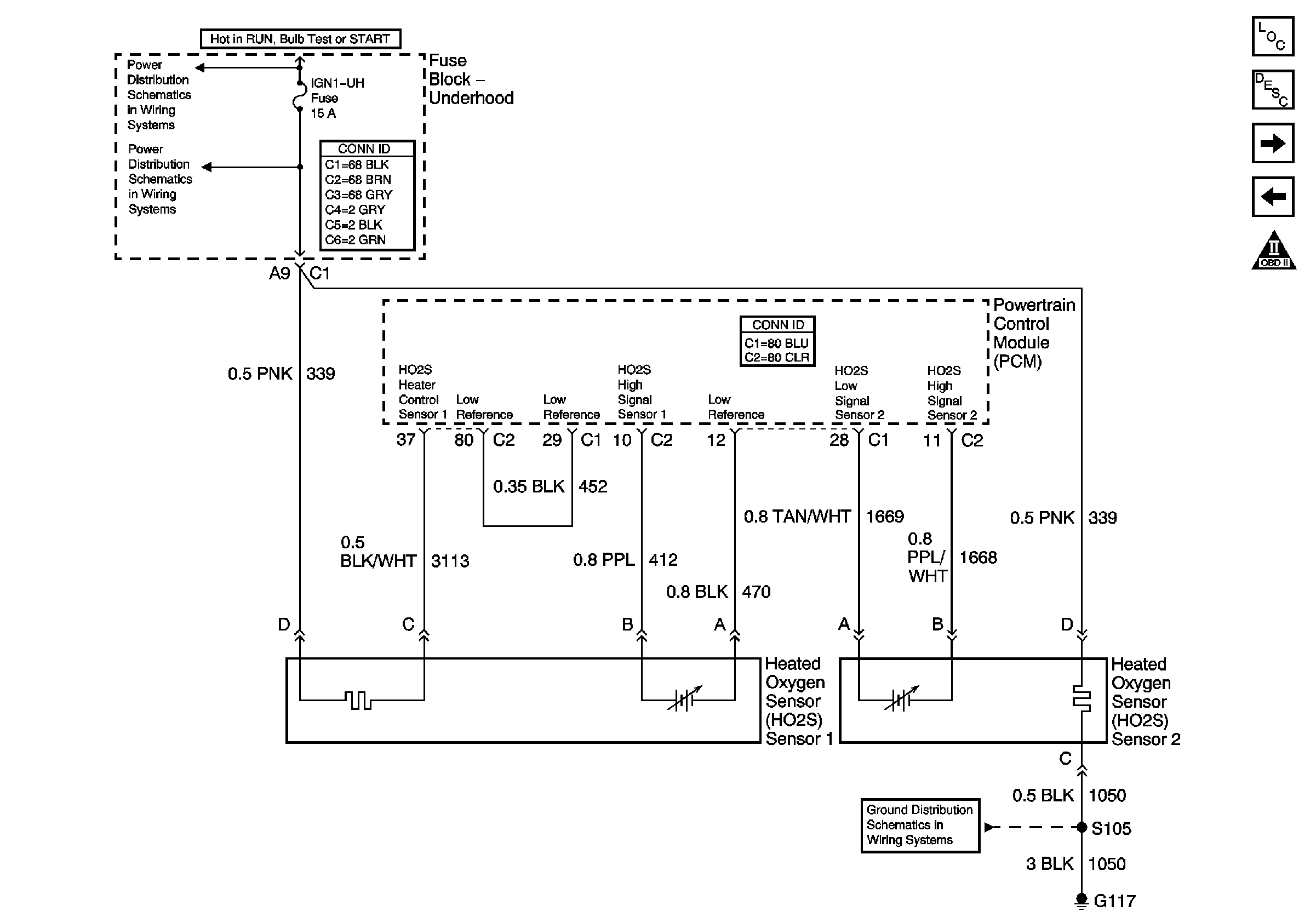
| Figure 6: |
Heated Oxygen Sensors
|
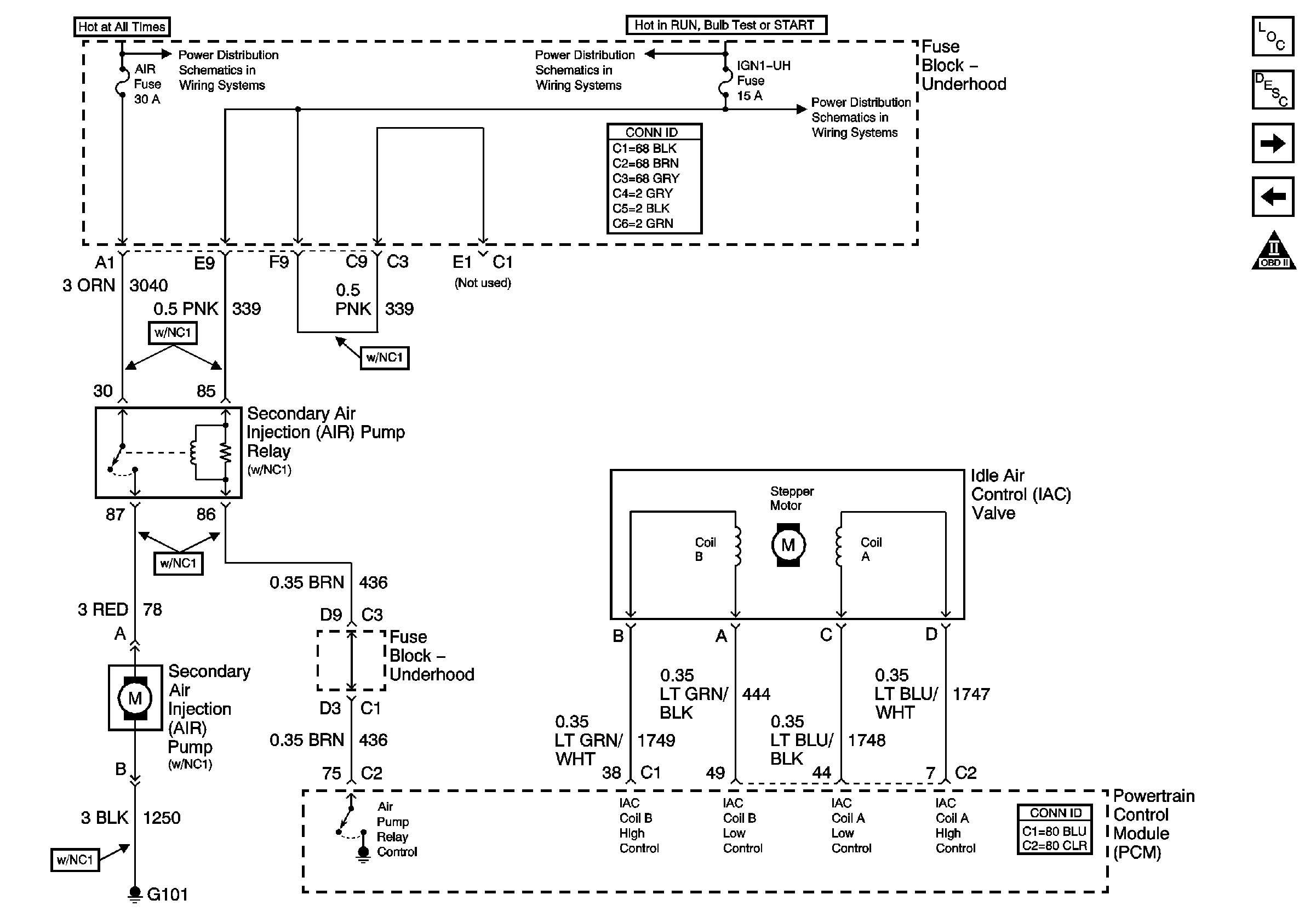
| Figure 7: |
Secondary Air Injection, Idle Air Control Valve
|
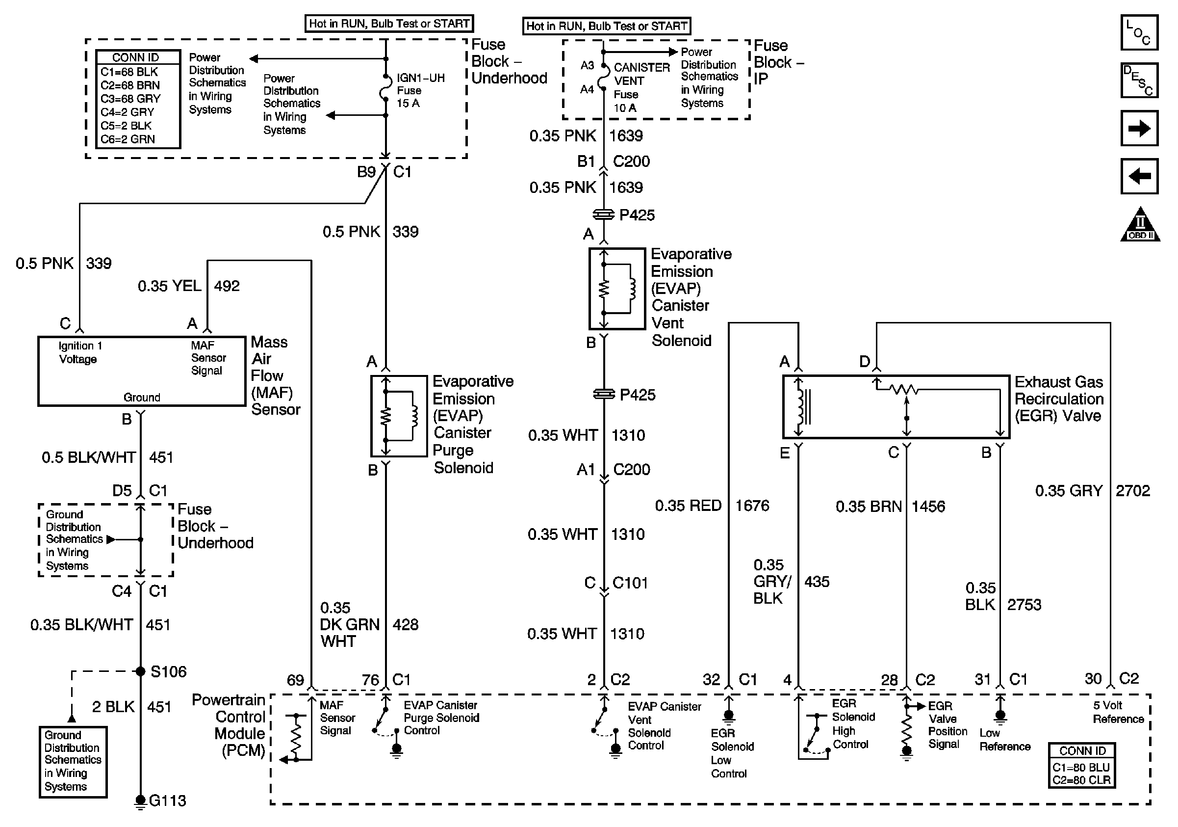
| Figure 8: |
MAF Sensor, EVAP Valves, EGR Valve
|
| Figure 9: |
A/T Controls Schematic References
|
| Figure 10: |
Misc. Schematic References
|