GM Service Manual Online
For 1990-2009 cars only
Makes
🢒
Pontiac
🢒
2002
🢒
Grand Prix
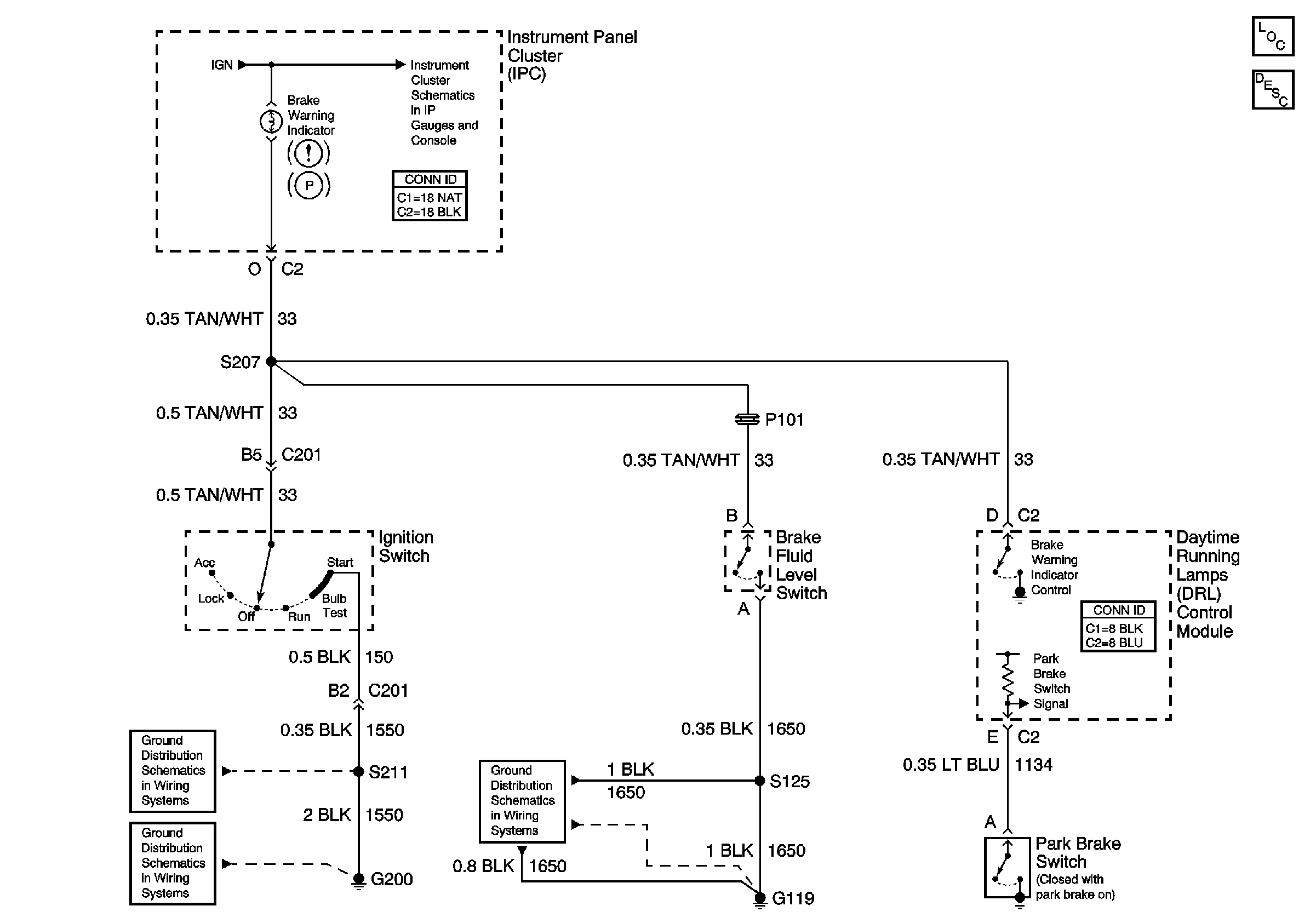
🢒 Brake Warning
Brake Warning
Master Electrical Component List
Brake Warning System Description and Operation
Indicators
G200, S211, S285
G119
G200, S213, S375