GM Service Manual Online
For 1990-2009 cars only
Makes
🢒
Pontiac
🢒
2003
🢒
Grand Prix
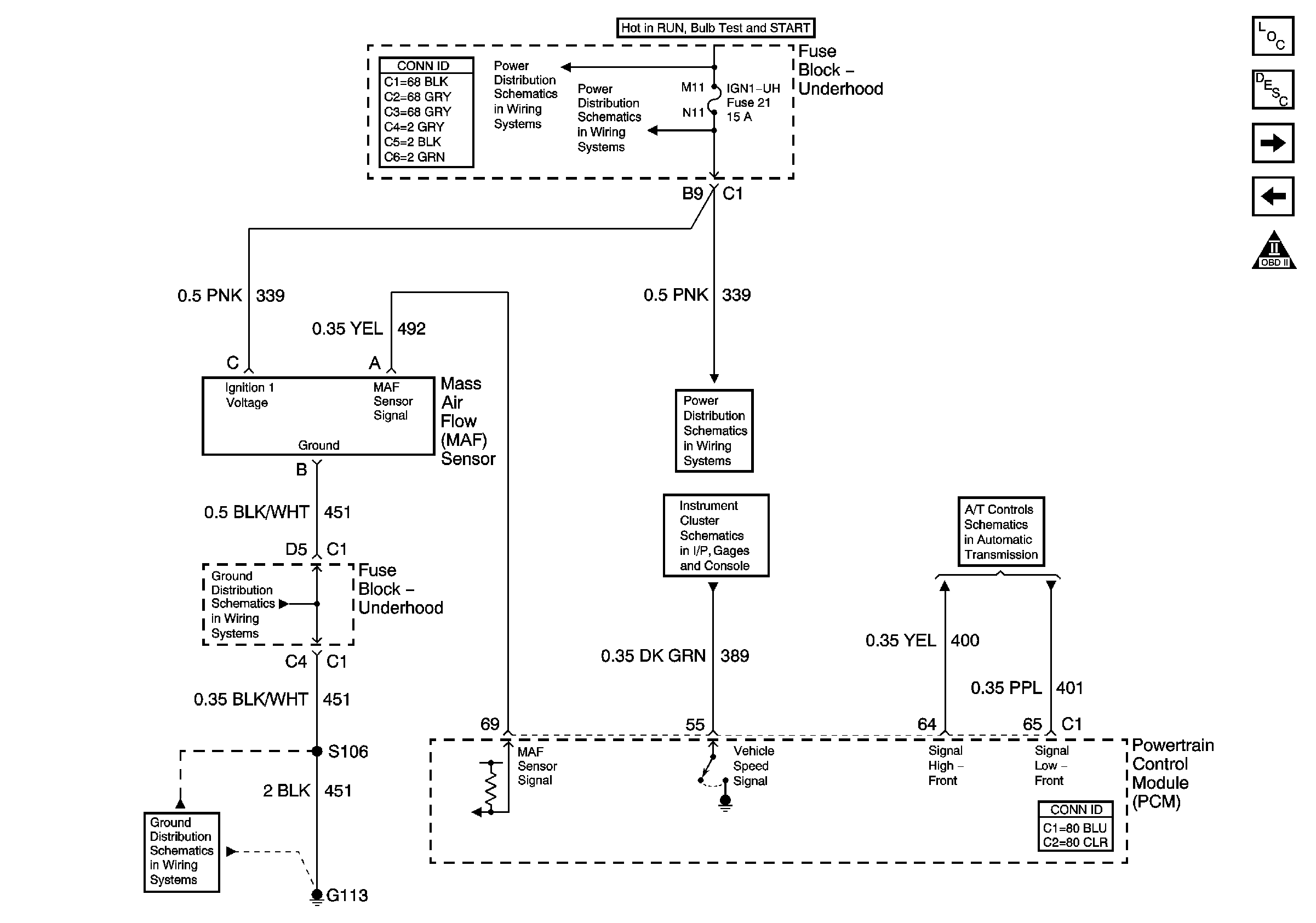
🢒 MAF Sensor, A/T Controls and VSS Reference
MAF Sensor, A/T Controls and VSS Reference
MAF Sensor and A/T Controls VSS Reference
Master Electrical Component List
Powertrain Control Module Description
Heated Oxygen Sensors
TP, MAP, ECT, and IAT Sensors
OBD II Symbol Description Notice
BATT MAIN 1, 2 IGN MAIN 1, 2 HEADLAMPS, PARK LP, HVAC/RKE BATT, AIR, ECM SENSE, ALT SENSE, B/U LAMP, COOL FAN 1, 2 FUEL PUMP, FOG LP, HORN, INJ, IGN1-UH, ELEK IGN, TCC, A/C CLU/ABS IGN Fuses
IGN 1-UH Fuse
IGN 1-UH Fuse
Gages
VSS, and ISS Sensors, Pressure Control Solenoid Valve, TCC Release Switch and Fluid Pressure Switches, FP
G100, G111, G113
G100, G111, G113