GM Service Manual Online
For 1990-2009 cars only
Makes
🢒
Pontiac
🢒
2004
🢒
Grand Prix
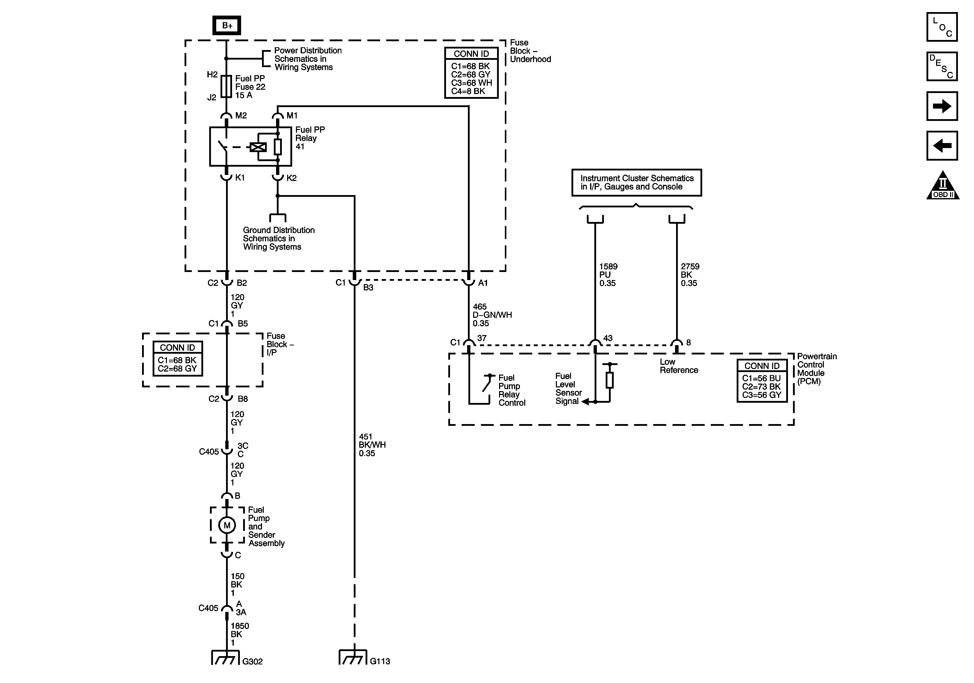
🢒 Fuel Pump Controls
Fuel Pump Controls
Fuel Pump Controls
Master Electrical Component List
Fuel System Description
Fuel Injectors
Ignition control Module
Engine Controls Schematic Icons
Fuse Block - Underhood Bussing
Fuse Block - Underhood Bussing
G101, G112 and G113
04 W Pontiac Instrument Cluster Schematics - Power, Ground and Gages
G302
G101, G112 and G113