GM Service Manual Online
For 1990-2009 cars only
Makes
🢒
Pontiac
🢒
2004
🢒
Grand Prix
🢒 Generator
Generator
Generator
Master Electrical Component List
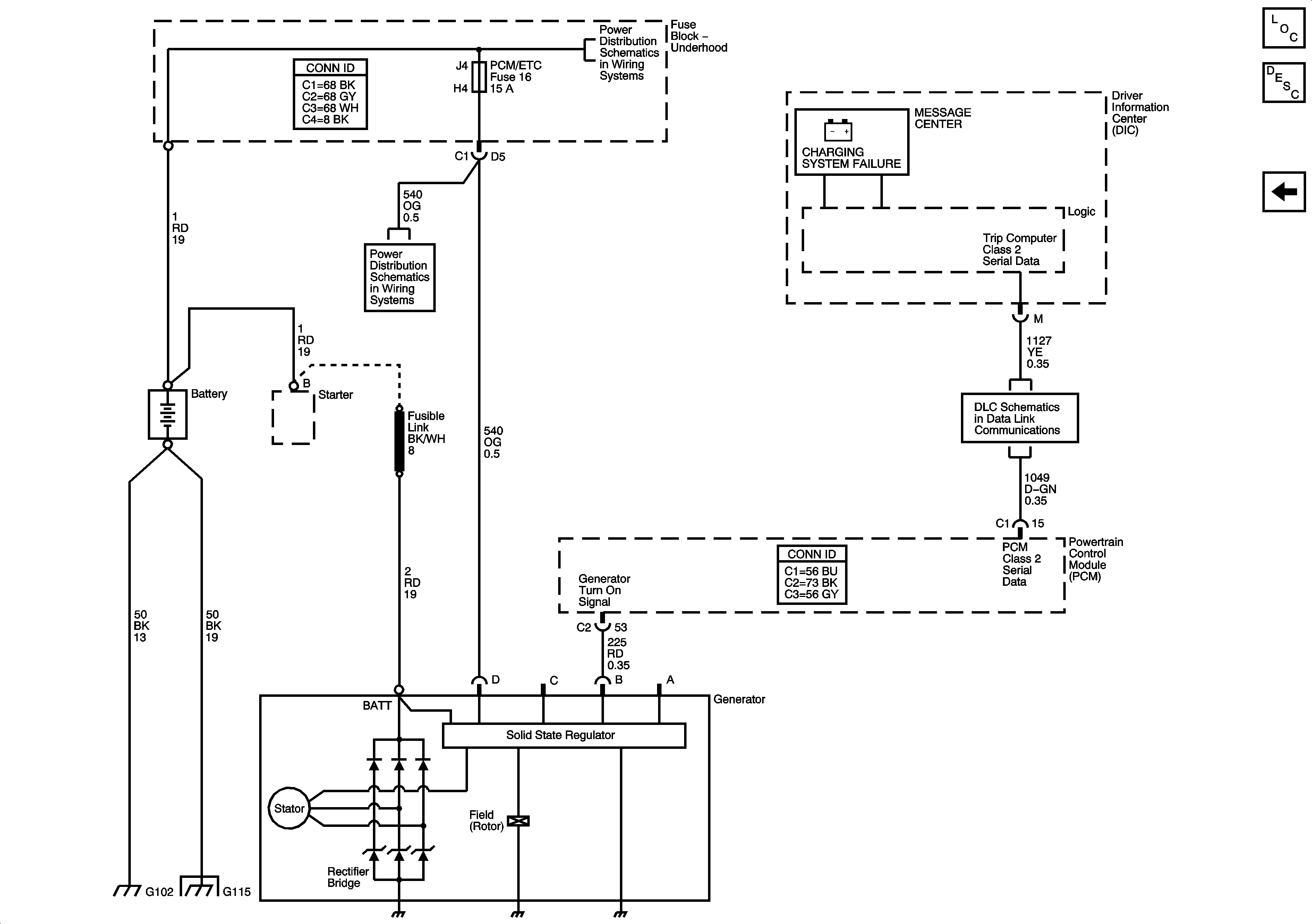
Charging System Description and Operation
Starter
Fuse Block - Underhood Bussing
BATT MAIN 3, BATT MAIN 4, ABS MTR, ABS SOL, PCM/ETC, WASHER RVC, and AUX PWR Fuses
Data Link Connector (DLC) Schematics
G102, G115 and G201