GM Service Manual Online
For 1990-2009 cars only
Makes
🢒
Pontiac
🢒
2004
🢒
Grand Prix
🢒 Starter
Starter
Starter
Master Electrical Component List
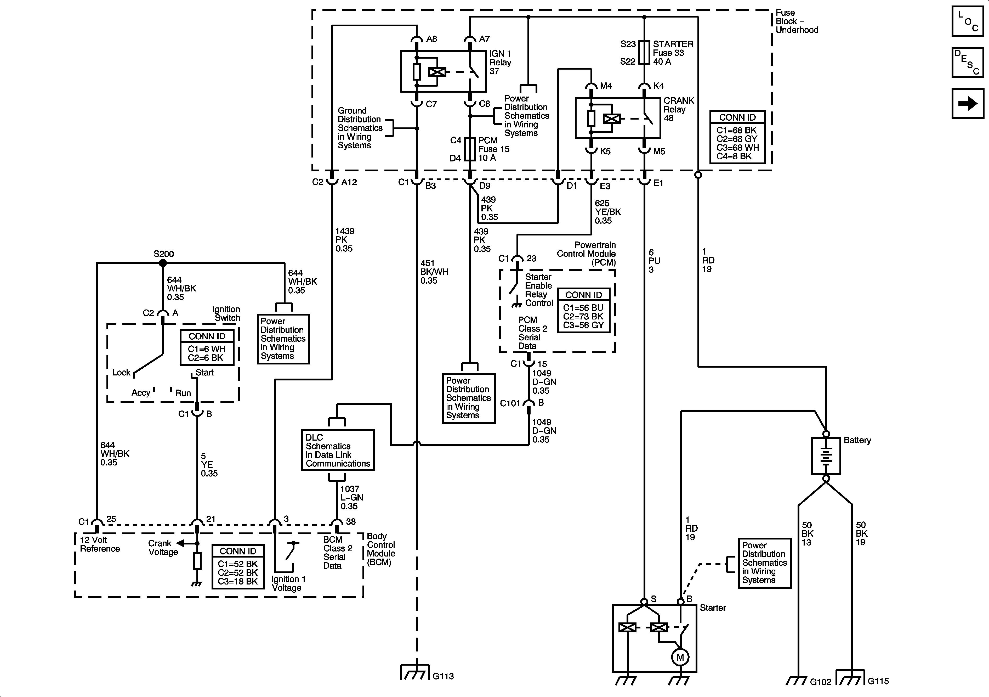
Starting System Description and Operation
Generator
G101, G112 and G113
Fuse Block - Underhood Bussing
Ignition Switch
ABS, TRANS SOL, PCM, SIR, DISPLAY, CRUISE SW Fuses, and CRANK Relay
Data Link Connector (DLC) Schematics
Fuse Block - Underhood Bussing
G101, G112 and G113
G102, G115 and G201