GM Service Manual Online
For 1990-2009 cars only
Makes
🢒
Pontiac
🢒
2005
🢒
Grand Prix
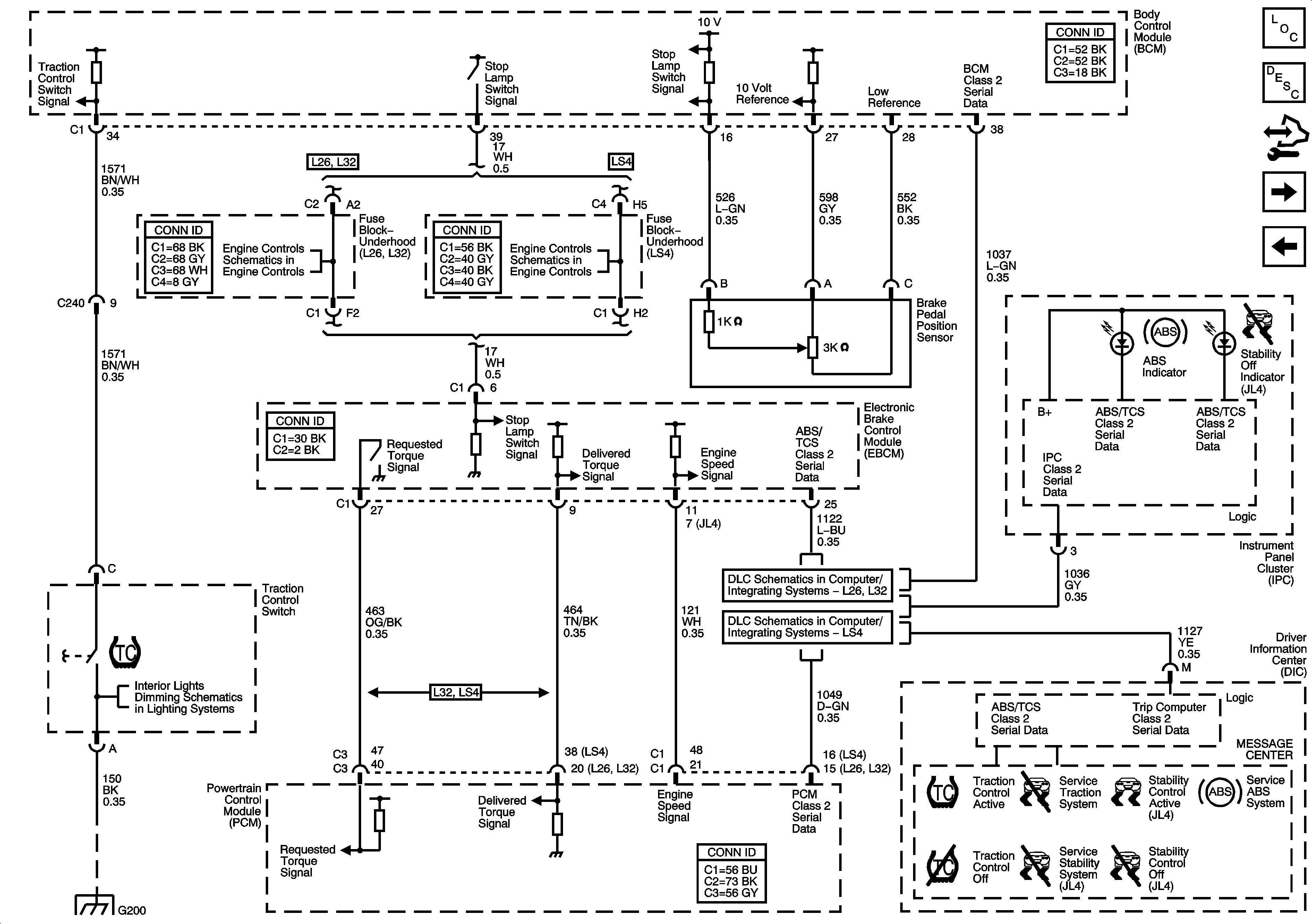
🢒 Indicator, ABS, Stability, and Traction Controls
Indicator, ABS, Stability, and Traction Controls
Indicators, ABS, Stability and Traction Controls
Master Electrical Component List
ABS Description and Operation
Control Module References
Stability Control Sensors (JL4)
Power, Ground and Brake Pressure Modulator Valves
Electronic Throttle Controls
Interior Lamp Switch, I/P and Driver Door Lighting
Data Link Communication
MAF/IAT Sensor, Stop Lamp Switch Signal and VSS
LS4
G200