GM Service Manual Online
For 1990-2009 cars only
Makes
🢒
Pontiac
🢒
2005
🢒
Grand Prix
🢒 EVAP Solenoids, FTP Sensor, and EGR Valve
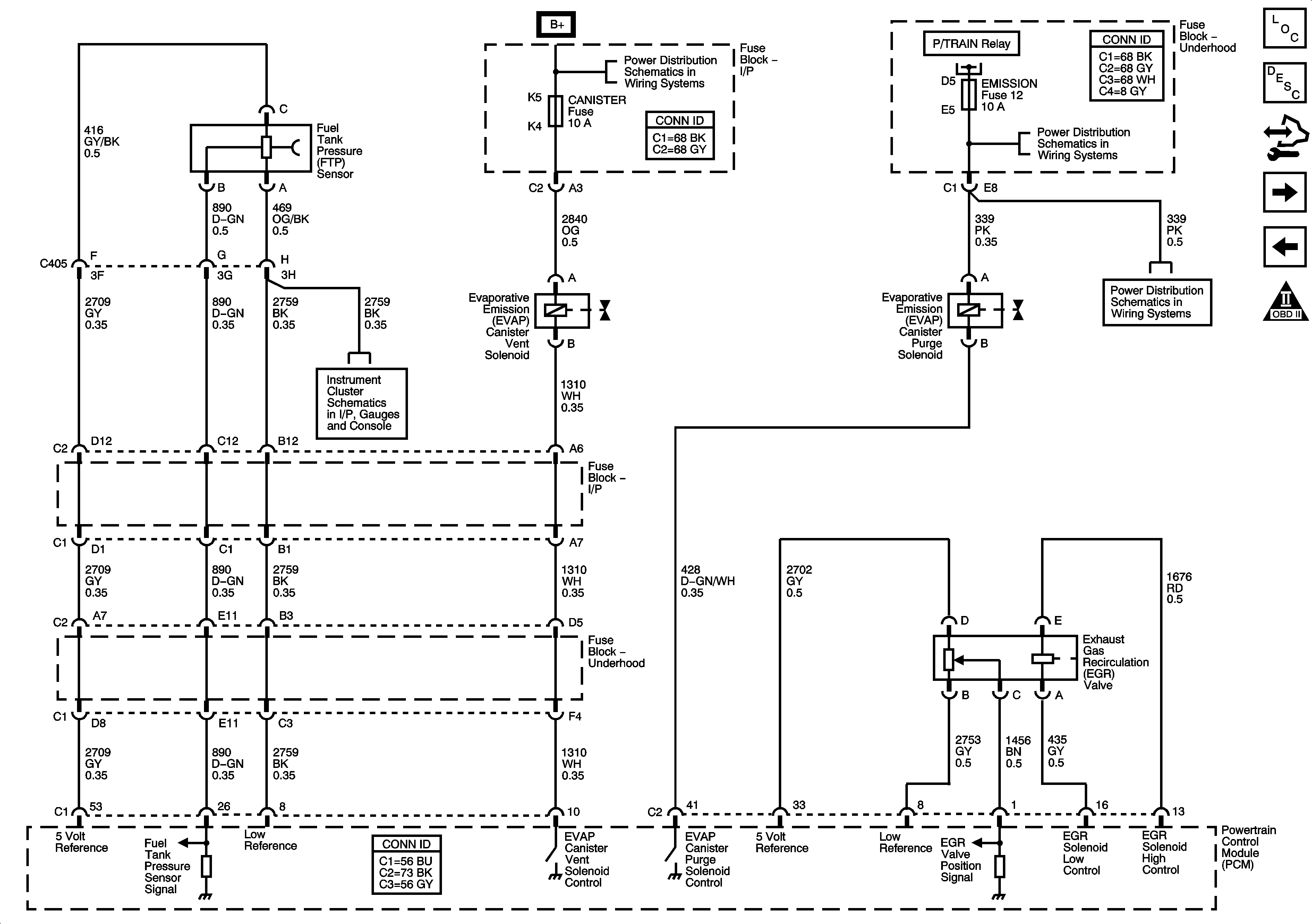
EVAP Solenoids, FTP Sensor, and EGR Valve
EVAP Solenoids, FTP Sensor, and EGR Valve
Master Electrical Component List
Evaporative Emission Control System Description
Control Module References
Secondary Air Injection (AIR) - NU3
Fuel Injectors
Engine Controls Schematic Icons
BATT MAIN 1, PK LAMPS, DISPLAS, CHMSL/BKUP, INT LIGHT, RFA MOD, RADIO/AMP, ONSTAR/ALDL, HVAC, CANISTER Fuses and PKLP Relay
BATT MAIN 1, PK LAMPS, DISPLAS, CHMSL/BKUP, INT LIGHT, RFA MOD, RADIO/AMP, ONSTAR/ALDL, HVAC, CANISTER Fuses and PKLP Relay
PCM Power, Ground, MIL, and Serial Data
ETC, ELEK IGN, FUEL INJ, O2 SSR, and EMISSION Fuses
Power, Ground, and Gages
ETC, ELEK IGN, FUEL INJ, O2 SSR, and EMISSION Fuses