GM Service Manual Online
For 1990-2009 cars only
Makes
🢒
Pontiac
🢒
2005
🢒
Grand Prix
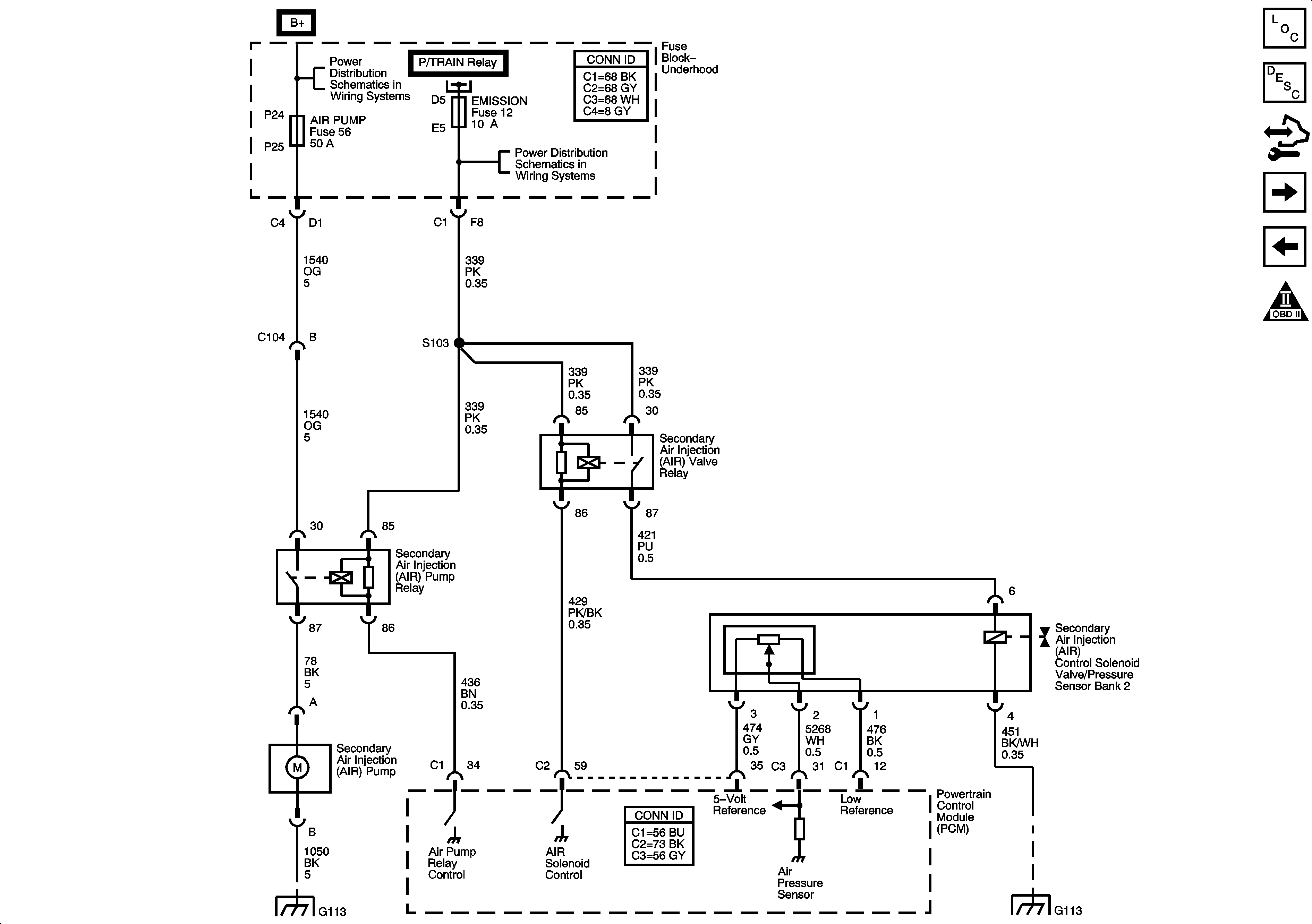
🢒 Secondary Air Injection (AIR) - NU3
Secondary Air Injection (AIR) - NU3
Secondary Air Injection (AIR) - NU3
Master Electrical Component List
Secondary Air Injection System Description
Control Module References
Controlled/Monitored Subsystem References
EVAP Solenoids, FTP Sensor, and EGR Valve
Engine Controls Schematic Icons
BATT MAIN 3, BATT MAIN 4, ABS MTR, ABS SOL, PCM/ETC, AIR PUMP, WASHER RVC, and AUX PWR Fuses
Fuse Block Underhood Bussing
PCM Power, Ground, MIL, and Serial Data
ETC, ELEK IGN, FUEL INJ, O2 SSR, and EMISSION Fuses
G101, G112 (L26/L32), and G113 (L26/L32)
G101, G112 (L26/L32), and G113 (L26/L32)