GM Service Manual Online
For 1990-2009 cars only
Makes
🢒
Pontiac
🢒
2005
🢒
Grand Prix
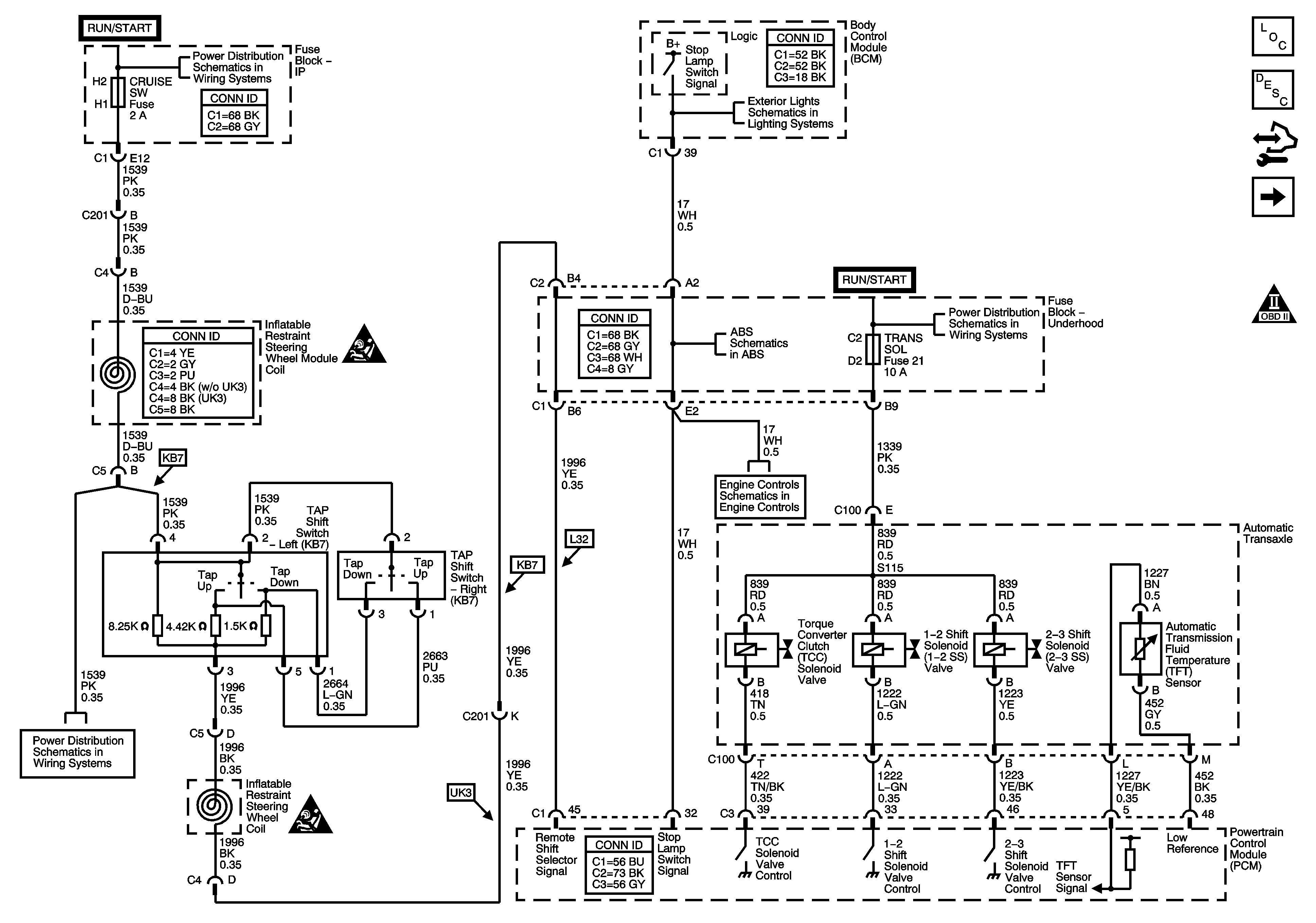
🢒 TAP Shift Switches, StopLamp Signal, TFT Sensor and TCC Shift Solenoids
TAP Shift Switches, StopLamp Signal, TFT Sensor and TCC Shift Solenoids
TAP Shift Switches, Stop Lamp Signal, TFT Sensor and TCC, Shift Solenoids
Master Electrical Component List
Electronic Component Description
Control Module References
VSS and AT Sensors, Pressure Control Solenoid Valve and TCC Release Switch
Automatic Transmission Schematic Icons
ABS, TRANS, ECM IGN, AIRBAG/DISPLAY, COMPASS, HVAC Fuses and STRTR Relay
ABS, TRANS, ECM IGN, AIRBAG/DISPLAY, COMPASS, HVAC Fuses and STRTR Relay
Turn Signal, Hazard and Stop Lamps Outputs
Automatic Transmission Schematic Icons
Indicator, ABS, Stability, and Traction Controls
Electronic Throttle Controls
Fuse Block Underhood Bussing
ABS, TRANS SOL, PCM, SIR, DISPLAY, CRUISE SW Fuses, and CRANK Relay
ABS, TRANS, ECM IGN, AIRBAG/DISPLAY, COMPASS, HVAC Fuses and STRTR Relay
Automatic Transmission Schematic Icons