GM Service Manual Online
For 1990-2009 cars only
Makes
🢒
Pontiac
🢒
2005
🢒
Grand Prix
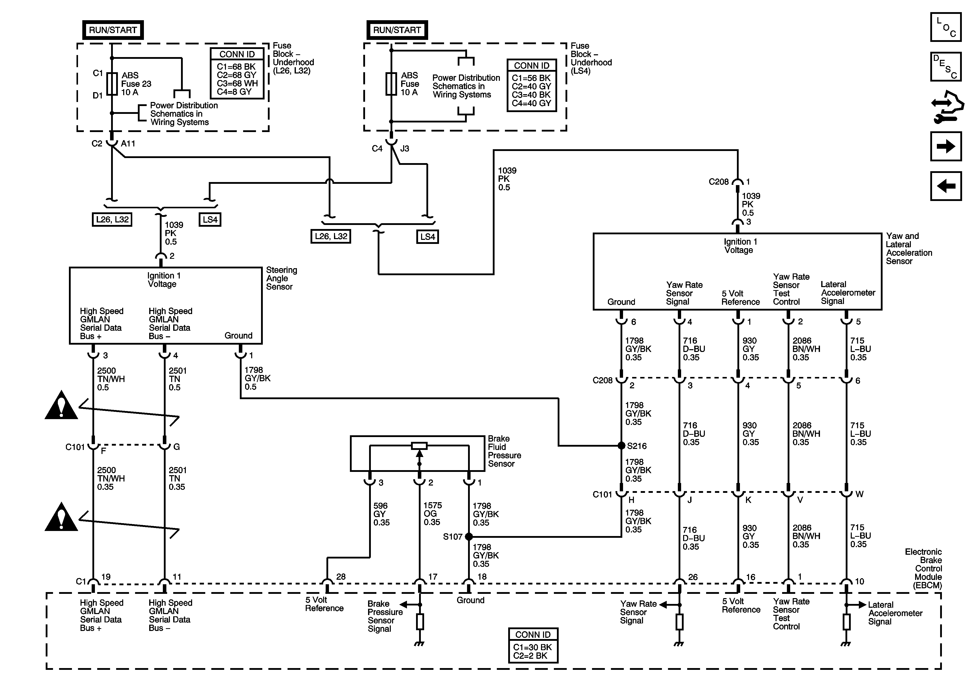
🢒 Stability Control Sensors (JL4)
Stability Control Sensors (JL4)
Stability Control Sensors - JL4
Master Electrical Component List
ABS Description and Operation
Control Module References
Wheel Speed Sensors
Indicator, ABS, Stability, and Traction Controls
Fuse Block Underhood Bussing
ABS, TRANS SOL, PCM, SIR, DISPLAY, CRUISE SW Fuses, and CRANK Relay
Fuse Block - Underhood Bussing
ABS, TRANS, ECM IGN, AIRBAG/DISPLAY, COMPASS, HVAC Fuses and STRTR Relay
Antilock Brake System Schematic Icons
Antilock Brake System Schematic Icons