GM Service Manual Online
For 1990-2009 cars only
Makes
🢒
Pontiac
🢒
2005
🢒
Grand Prix
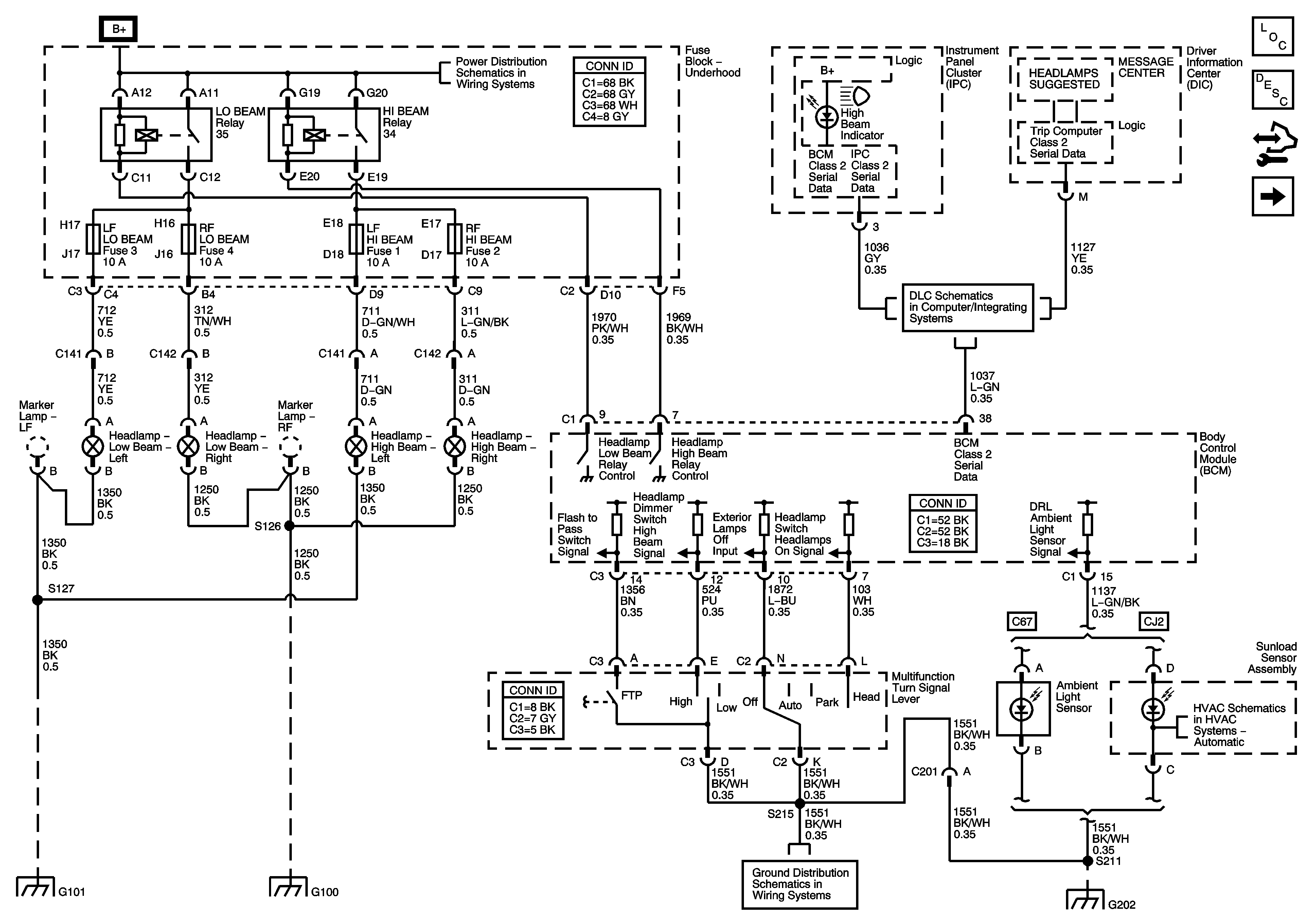
🢒 Headlights/Automatic Head Lamps Schematics
Headlights/Automatic Head Lamps Schematics
L26 and L32
Master Electrical Component List
Exterior Lighting Systems Description and Operation
Control Module References
LS4
Fuse Block Underhood Bussing
Fuse Block Underhood Bussing
Data Link Communication
Sensors
G101, G112 (L26/L32), and G113 (L26/L32)
G100
G202
G202
Sensors