GM Service Manual Online
For 1990-2009 cars only
Makes
🢒
Pontiac
🢒
2005
🢒
Grand Prix
🢒 LS4
LS4
LS4
Master Electrical Component List
Exterior Lighting Systems Description and Operation
Control Module References
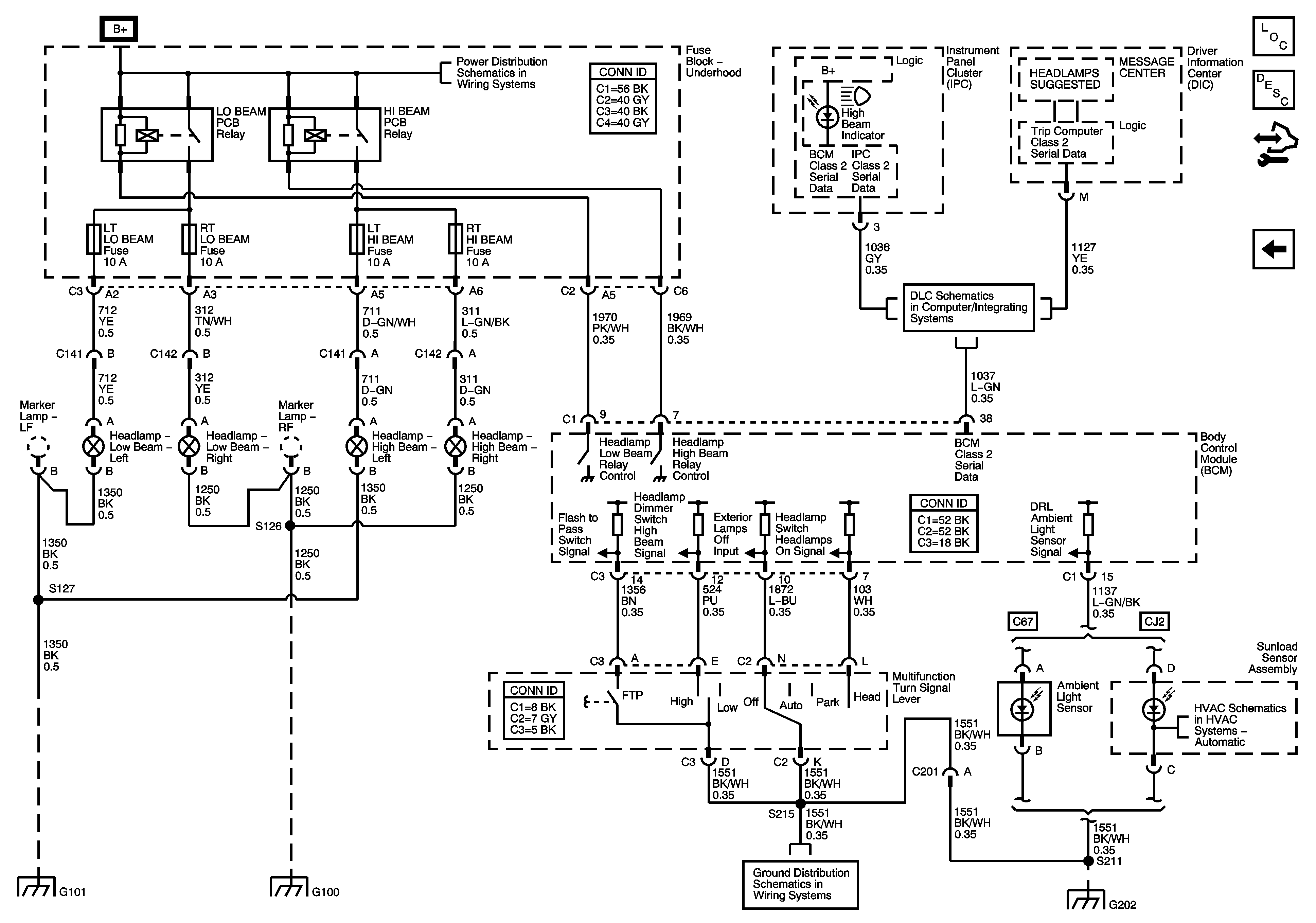
Headlights/Automatic Head Lamps Schematics
Fuse Block - Underhood Bussing
Fuse Block - Underhood Bussing
G101, G112 (L26/L32), and G113 (L26/L32)
G100
LS4
G202
G202
Sensors