GM Service Manual Online
For 1990-2009 cars only
Makes
🢒
Pontiac
🢒
2005
🢒
Grand Prix
🢒 LS4
LS4
LS4
Master Electrical Component List
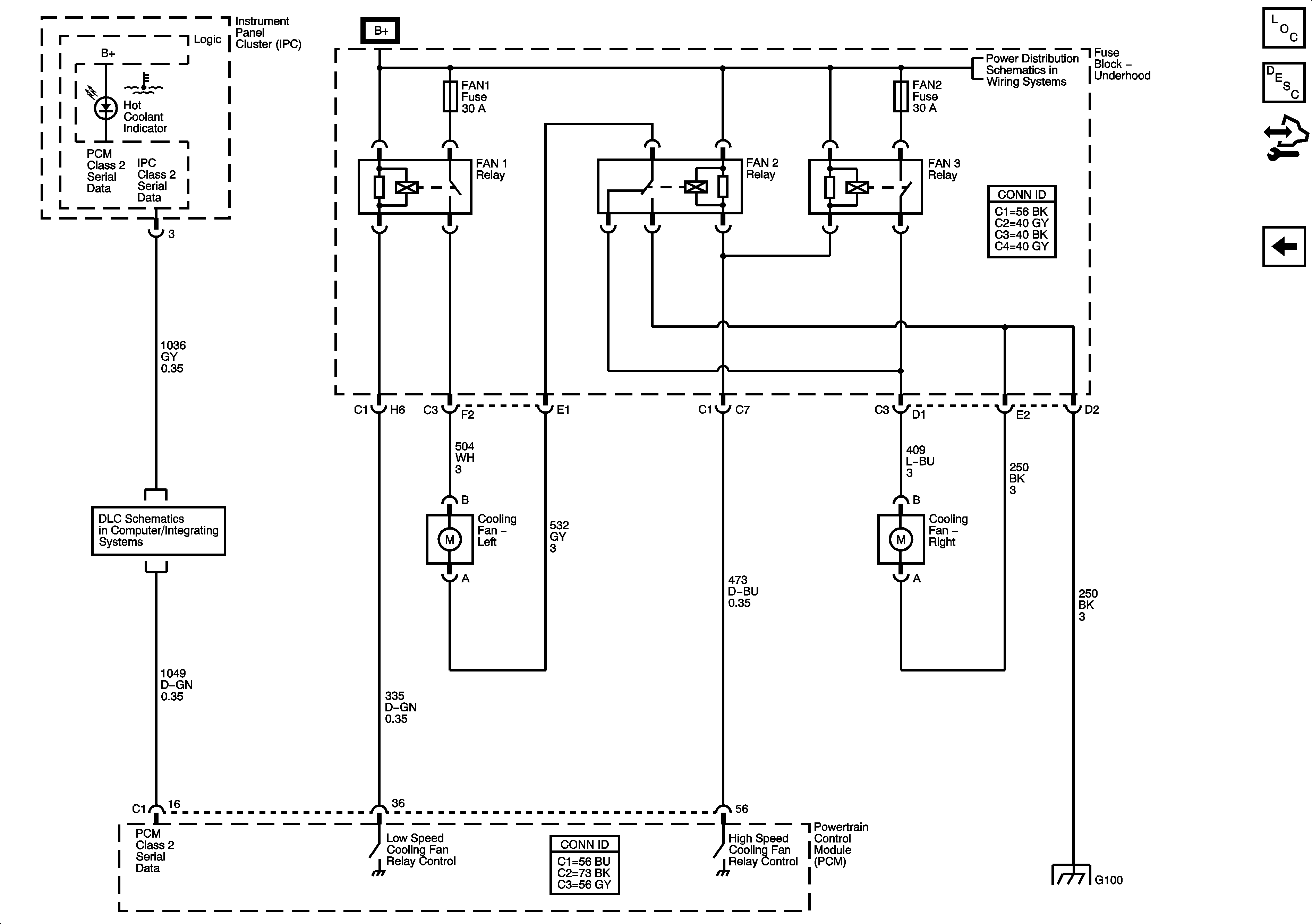
Cooling System Description and Operation
Control Module References
Engine Cooling Schematics
Fuse Block - Underhood Bussing
Fuse Block - Underhood Bussing
LS4
G100