GM Service Manual Online
For 1990-2009 cars only
Figure 1:

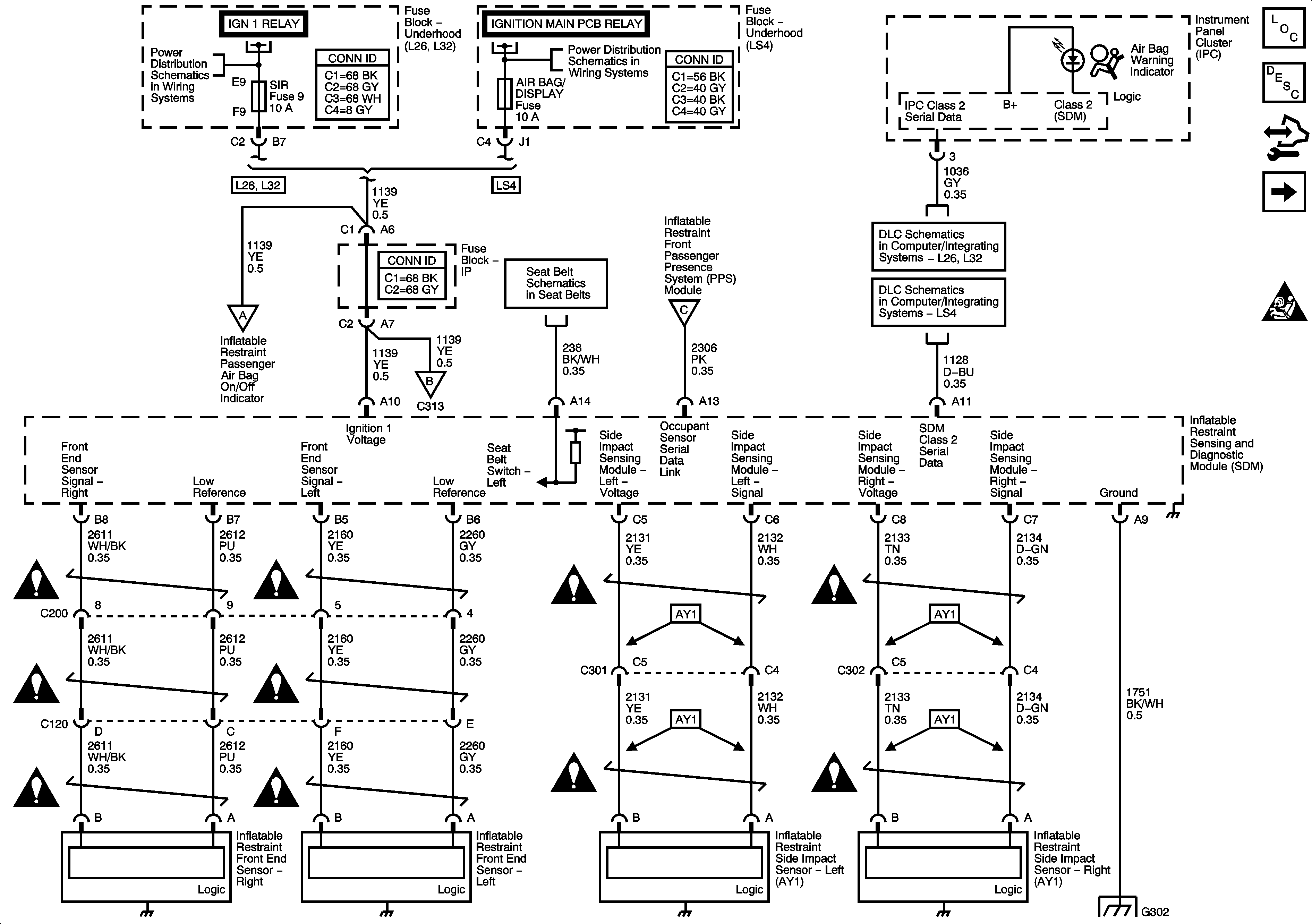
Power, Ground, DLC, Indicators, Sensors and References


Object Number: 1647578  Size: FS
Master Electrical Component List
SIR System Description and Operation
Control Module References
Deployment Loops
SIR Schematic Icons
Fuse Block Underhood Bussing
Fuse Block - Underhood Bussing
Passenger Presence System
Passenger Presence System
Seat Belt Schematics
Passenger Presence System
L26/L32
LS4
SIR Schematic Icons
SIR Schematic Icons
SIR Schematic Icons
SIR Schematic Icons
SIR Schematic Icons
SIR Schematic Icons
SIR Schematic Icons
SIR Schematic Icons
SIR Schematic Icons
SIR Schematic Icons
G302
Figure 2:

Deployment Loops


Object Number: 1647579  Size: FS
Master Electrical Component List
SIR System Description and Operation
Control Module References
Passenger Presence System
Power, Ground, DLC, Indicators, Sensors, and References
SIR Schematic Icons
SIR Schematic Icons
SIR Schematic Icons
SIR Schematic Icons
SIR Schematic Icons
SIR Schematic Icons
SIR Schematic Icons
SIR Schematic Icons
SIR Schematic Icons
SIR Schematic Icons
SIR Schematic Icons
Figure 3:

Passenger Presence System


Object Number: 1672860  Size: FS
Master Electrical Component List
SIR System Description and Operation
Control Module References
Deployment Loops
SIR Schematic Icons
Fuse Block Underhood Bussing
Fuse Block - Underhood Bussing
Power, Ground, DLC, Indicators, Sensors, and References
BATT MAIN 1, PK LAMPS, DISPLAS, CHMSL/BKUP, INT LIGHT, RFA MOD, RADIO/AMP, ONSTAR/ALDL, HVAC, CANISTER Fuses AND PKLP RELAY
Power, Ground, DLC, Indicators, Sensors, and References
BATT MAIN 1, PK LAMPS, DISPLAS, CHMSL/BKUP, INT LIGHT, RFA MOD, RADIO/AMP, ONSTAR/ALDL, HVAC, CANISTER Fuses AND PKLP RELAY
Heat Control - Passenger
Power, Ground, DLC, Indicators, Sensors, and References
G302
G202