GM Service Manual Online
For 1990-2009 cars only
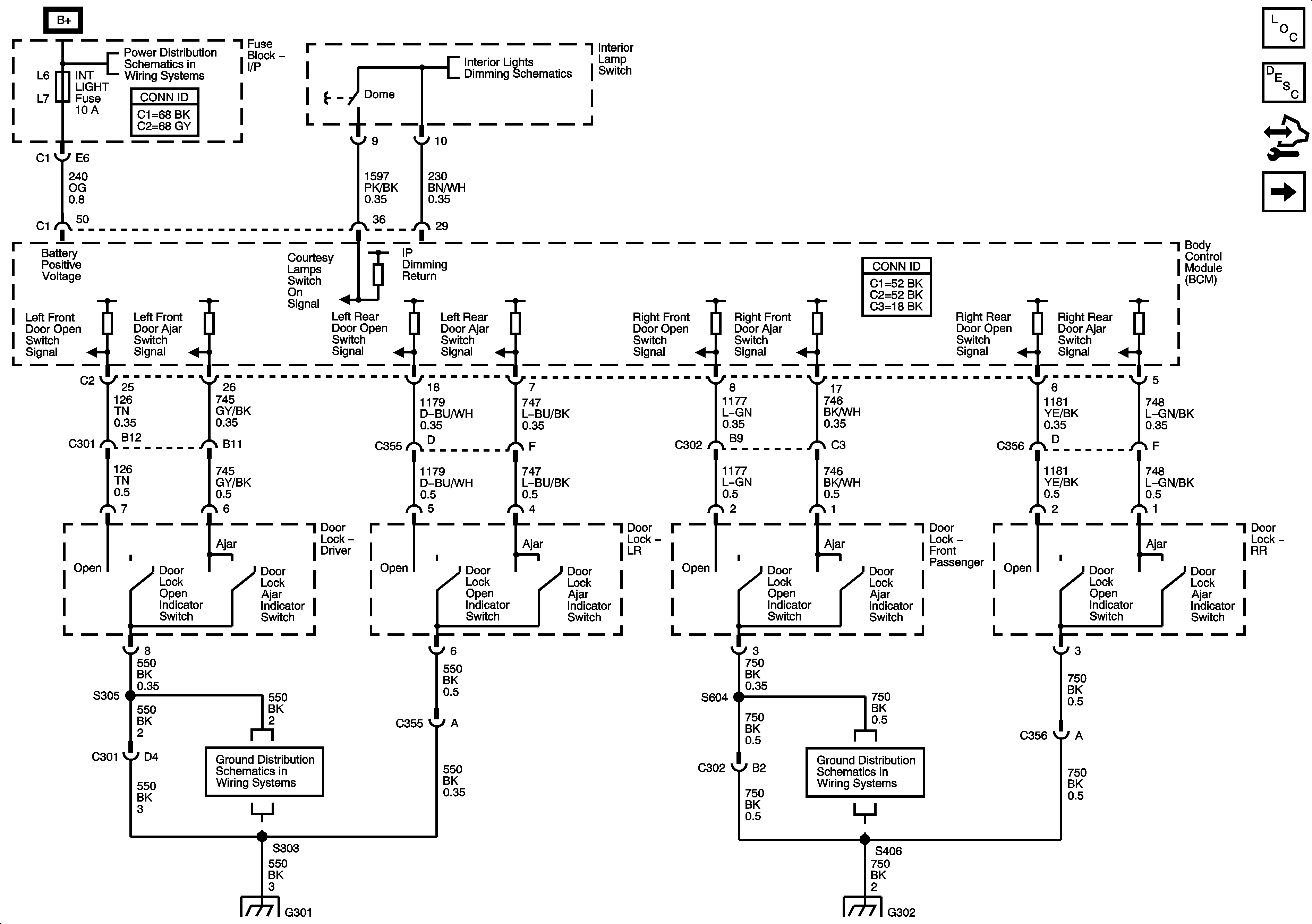
Figure 1:

Switches


Object Number: 1647647  Size: FS
Master Electrical Component List
Interior Lighting Systems Description and Operation
Control Module References
Lamps
BATT MAIN 1, PK LAMPS, DISPLAS, CHMSL/BKUP, INT LIGHT, RFA MOD, RADIO/AMP, ONSTAR/ALDL, HVAC, CANISTER Fuses AND PKLP RELAY
Interior Lamp Switch, I/P and Driver Door Lighting
G301
G301
G302
G302
Figure 2:

Courtesy Lamps


Object Number: 1647649  Size: FS
Master Electrical Component List
Interior Lighting Systems Description and Operation
Control Module References
Overhead Lighting
Interior Lights Switches
Overhead Lighting
Overhead Lighting
Content Theft Deterrent (CTD) System
Body Rear End Schematics
G200
G302
Figure 3:

Overhead Lighting


Object Number: 1647652  Size: FS
Master Electrical Component List
Interior Lighting Systems Description and Operation
Control Module References
Lamps
Lamps
Lamps
G302