GM Service Manual Online
For 1990-2009 cars only
Makes
🢒
Pontiac
🢒
2006
🢒
Grand Prix
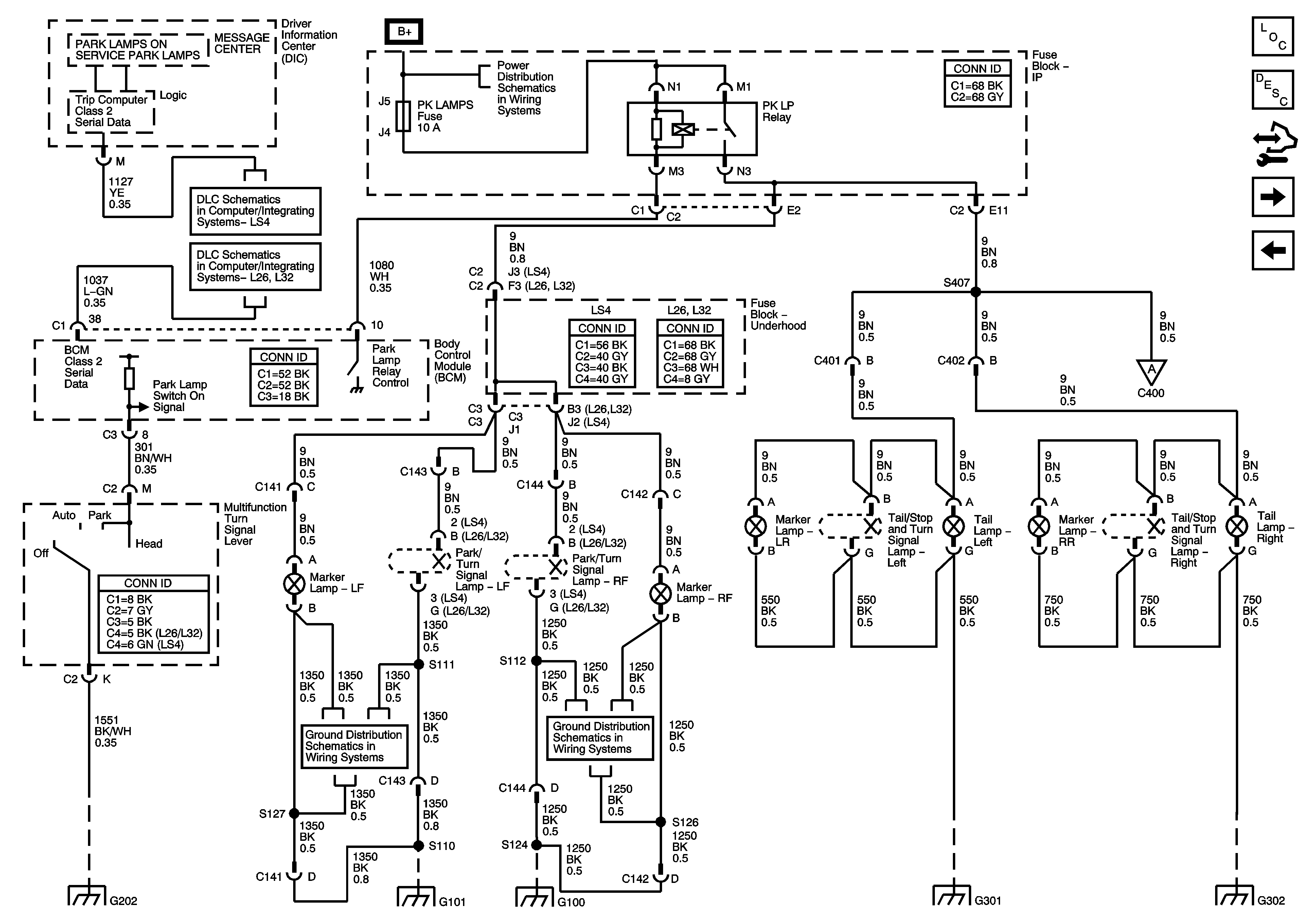
🢒 Park Lamps
Park Lamps
Park Lamps
Master Electrical Component List
Exterior Lighting Systems Description and Operation
Control Module References
Backup and License Lamps
Turn Signal, Hazard and Stop Lamp Outputs
LS4
L26/L32
BATT MAIN 1, PK LAMPS, DISPLAS, CHMSL/BKUP, INT LIGHT, RFA MOD, RADIO/AMP, ONSTAR/ALDL, HVAC, CANISTER Fuses AND PKLP RELAY
Backup and License Lamps
G101, G112 (L26/L32), and G113 (L26/L32)
G100
G202
G101, G112 (L26/L32), and G113 (L26/L32)
G100
G301
G302