GM Service Manual Online
For 1990-2009 cars only
Makes
🢒
Pontiac
🢒
2006
🢒
Grand Prix
🢒 Starting LS4
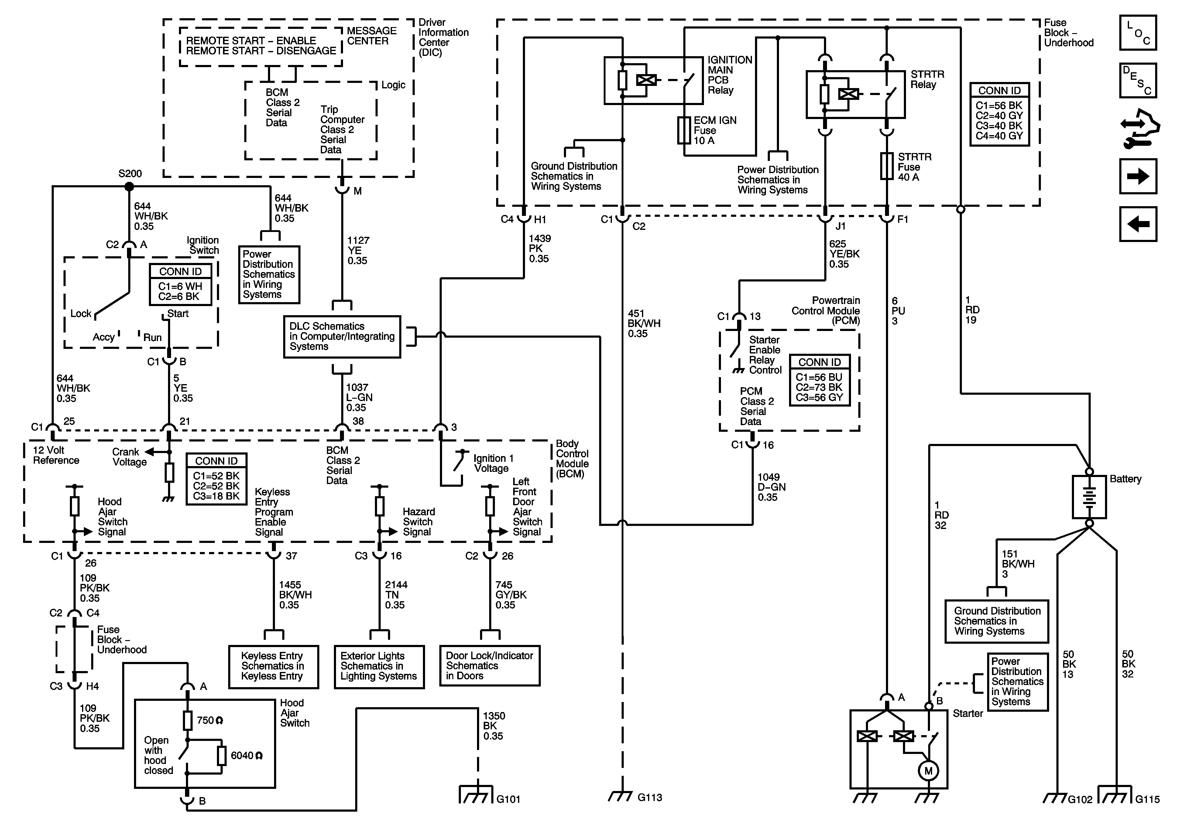
Starting LS4
Starter (LS4)
Master Electrical Component List
Starting System Description and Operation
Control Module References
Generator
Starting
Ignition Switch
LS4
G112 (LS4), AND G113 (LS4)
Fuse Block - Underhood Bussing
Rear Window Wiper Motor
Turn Signal, Hazard, and Stop Lamps Inputs
Door Ajar Indicators
G102, G112 and G201
Fuse Block - Underhood Bussing
G101, G112 (L26/L32), and G113 (L26/L32)
G112 (LS4), AND G113 (LS4)
G102, G112 and G201