GM Service Manual Online
For 1990-2009 cars only
Makes
🢒
Pontiac
🢒
2004
🢒
Matiz
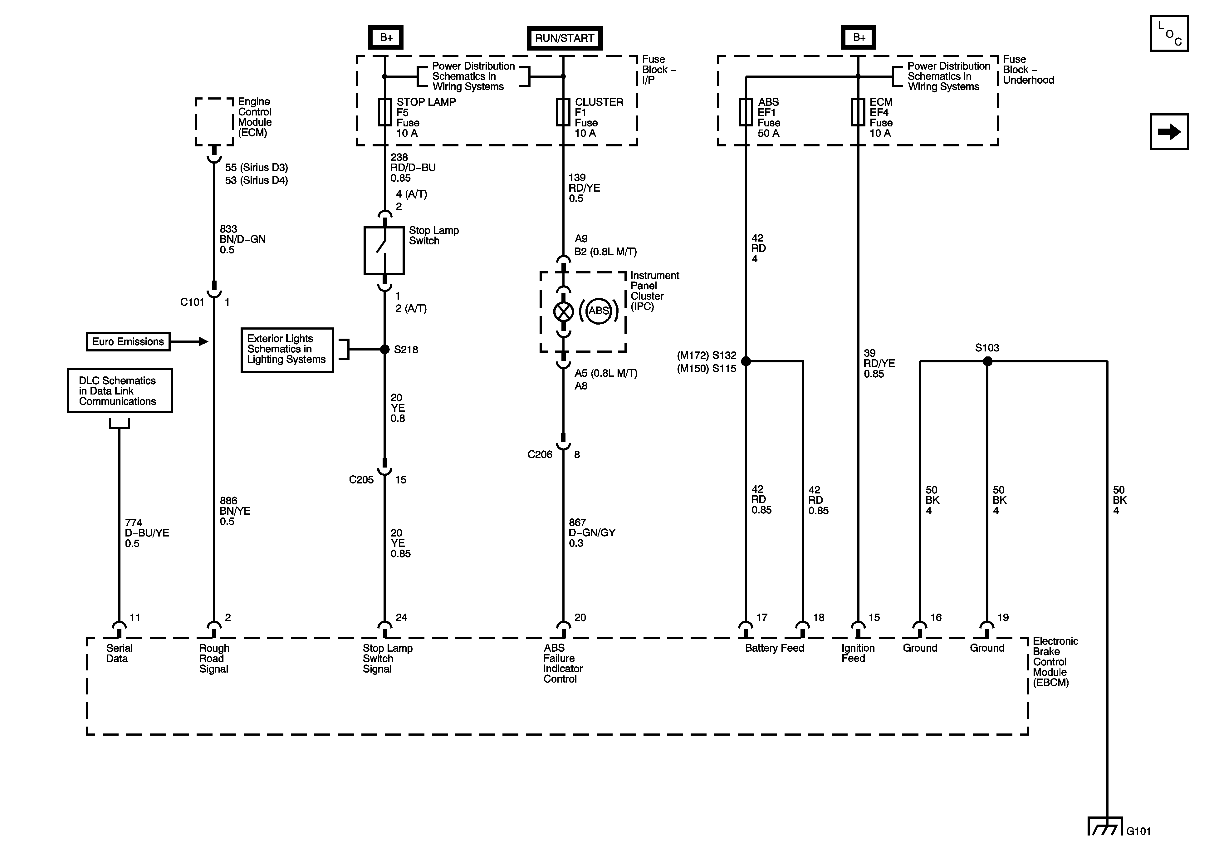
🢒 Module Power, Ground and Malfunction Indicator Lamp (MIL)
Module Power, Ground and Malfunction Indicator Lamp (MIL)
Module Power, Ground and Malfunction Indicator Lamp (MIL)
Master Electrical Component List
Wheel Speed Sensor Circuits
Underhood Fuse Block (0.8L) - IP FUSEBOX Fuse, IGNITION SWITCH, IP FUSE BLOCK (0.8L) - STOP LAMPS, ROOM LAMP, HAZARD LAMP and CENTRAL DOOR LOCK Fuses
Underhood Fuse Block (1.0L) - ECM, FUEL PUMP Fuses
Data Link Connector (DLC) (Sirius-D3)
Stop Lamps