GM Service Manual Online
For 1990-2009 cars only
Makes
🢒
Pontiac
🢒
2006
🢒
Solstice
🢒 Engine Electrical Schematics
Engine Electrical Schematics
Master Electrical Component List
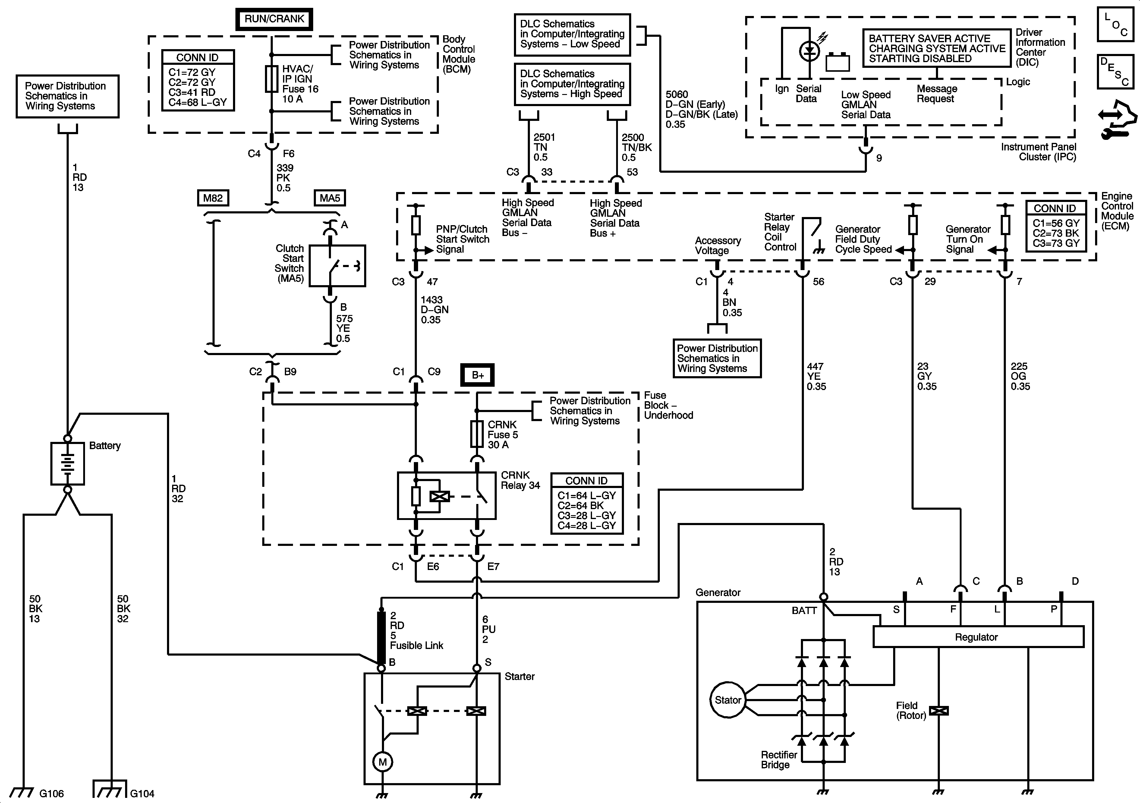
Starting System Description and Operation
Control Module References
B+ Bus Bar - 1 of 2
AIR BAG, AMP, BCM 2, BCM 3, CLSTR, EPS/STR WHL CNTRL, HVAC/IP IGN, HVAC/PK3+, and WPR Fuses
AIR BAG, AMP, BCM 2, BCM 3, CLSTR, EPS/STR WHL CNTRL, HVAC/IP IGN, HVAC/PK3+, and WPR Fuses
DLC Power, Ground, and Low Speed LAN
High Speed GMLAN
B+ Bus Bar - 2 of 2
Ignition Switch Modes
G103, G204, G105, G104, and G106
G103, G204, G105, G104, and G106