GM Service Manual Online
For 1990-2009 cars only
Makes
🢒
Pontiac
🢒
2007
🢒
Solstice
🢒
Diagnostic Navigation
🢒
Vehicle Diagnostic Information
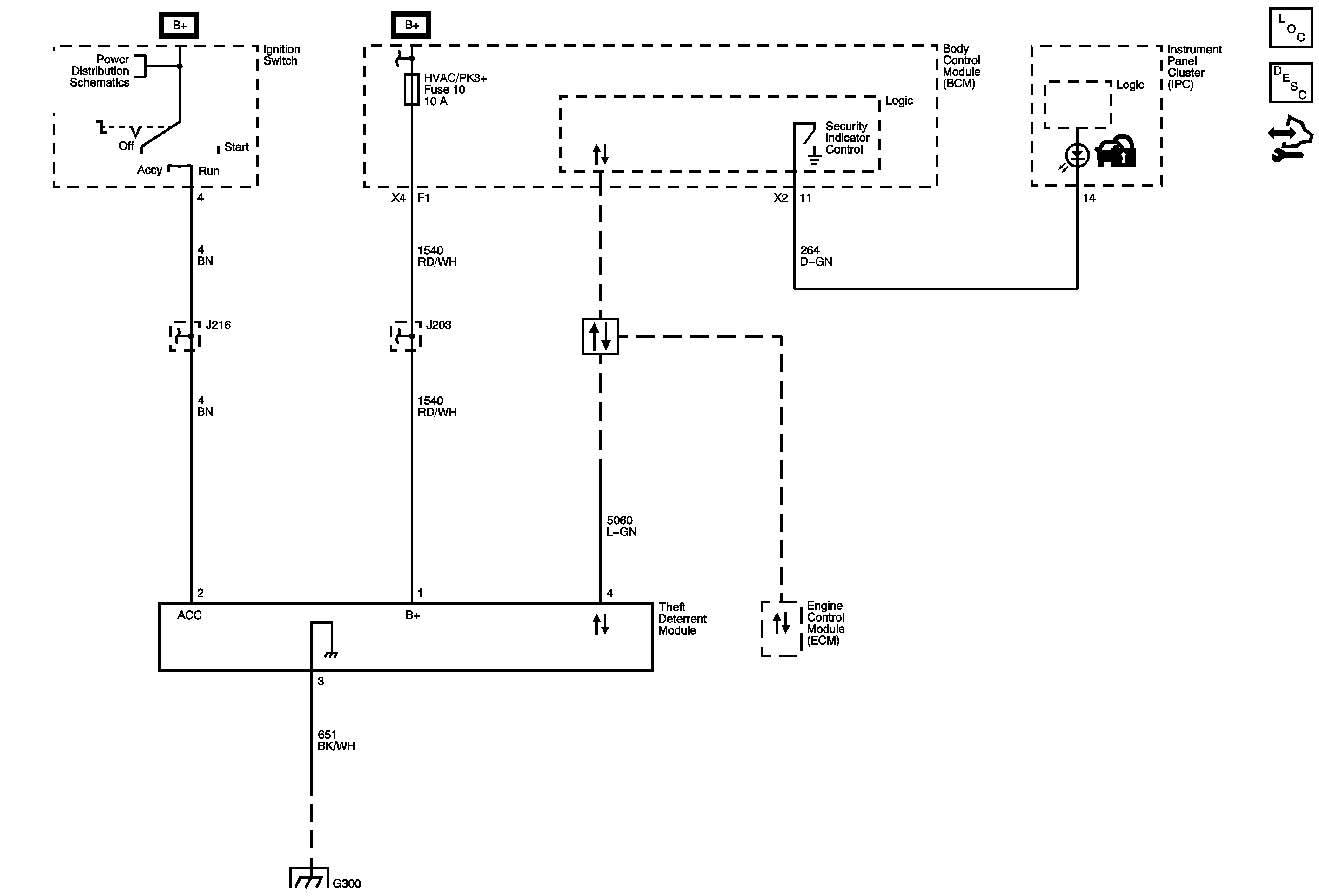
🢒 Immobilizer Schematics
Master Electrical Component List
Immobilizer Description and Operation
Control Module References
HVAC/PK3, AUDIO AMPLIFIER, WIPERS, HVAC/IP IGN, RESRAINTS, and EPS/SWC Fuses
HVAC/PK3, AUDIO AMPLIFIER, WIPERS, HVAC/IP IGN, RESRAINTS, and EPS/SWC Fuses
G300 - 1 of 2
Data Communication Schematics
Master Electrical Component List
Immobilizer Description and Operation
Control Module References
BCM 2 and BCM 3 Fuses (Underhood Fuse Block), AMP, CLSTR, HVAC/PK3+, and IGN SW/PK3+ Fuses, HVAC Relay (Body Control Module (BCM))
BCM 2 and BCM 3 Fuses (Underhood Fuse Block), AMP, CLSTR, HVAC/PK3+, and IGN SW/PK3+ Fuses, HVAC Relay (Body Control Module (BCM))
Low Speed LAN
G300 - 2 of 2