GM Service Manual Online
For 1990-2009 cars only
Makes
🢒
Pontiac
🢒
2007
🢒
Solstice
🢒
Diagnostic Navigation
🢒
Vehicle Diagnostic Information
🢒 Audible Warnings Schematics
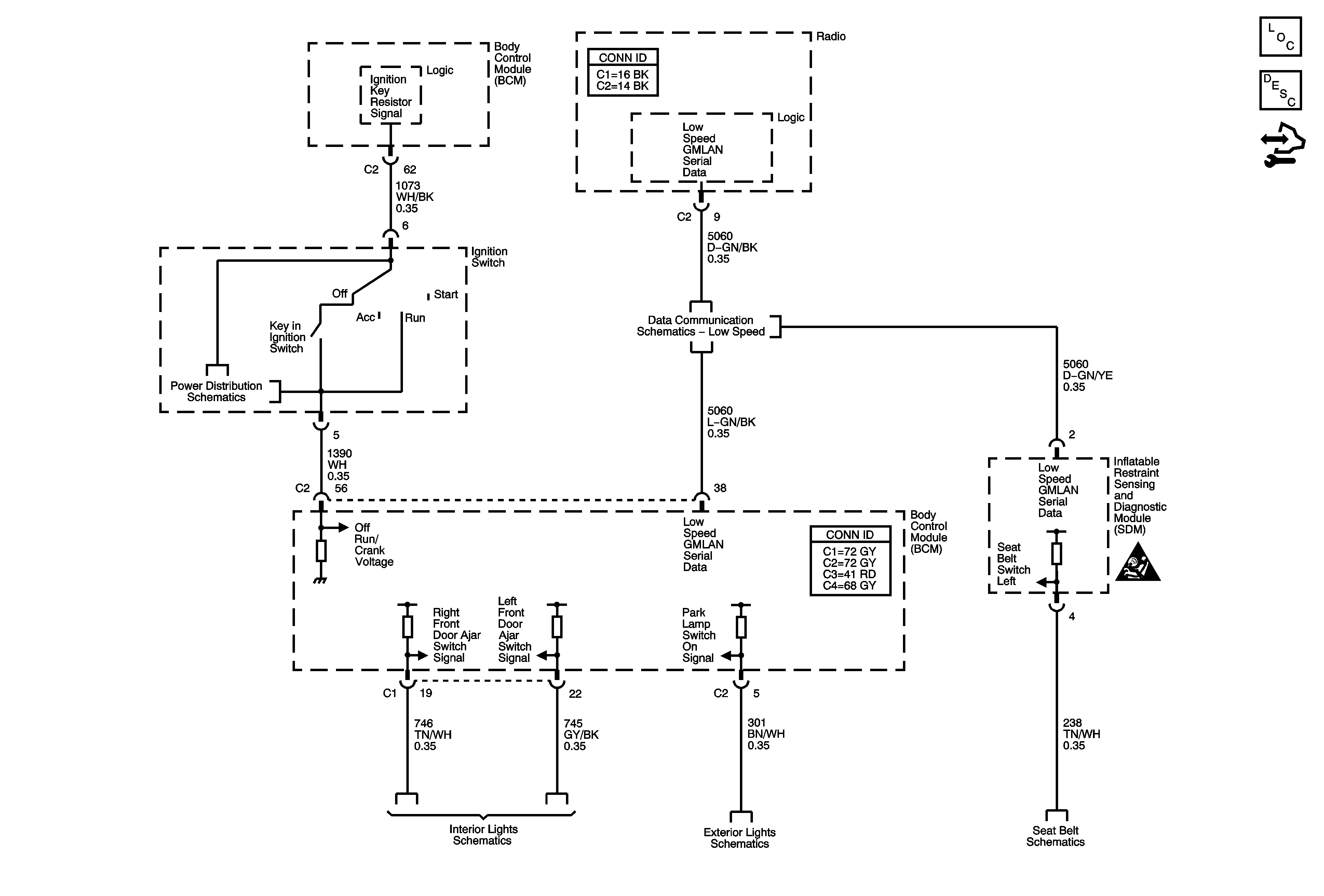
Master Electrical Component List
Audible Warnings Description and Operation
Control Module References
Ignition Switch
Low Speed LAN
SIR Schematic Icons
Interior Lights Schematics
Hazards and Park Lamps
Seat Belts Schematics
Master Electrical Component List
Audible Warnings Description and Operation
Control Module References
Ignition Switch Modes
Data Communication Schematics
SIR Schematic Icons
Interior Lights Schematics
Hazard and Park Lamps
Seat Belts Schematics