GM Service Manual Online
For 1990-2009 cars only
Makes
🢒
Pontiac
🢒
2007
🢒
Solstice
🢒
Body Systems
🢒
Lighting
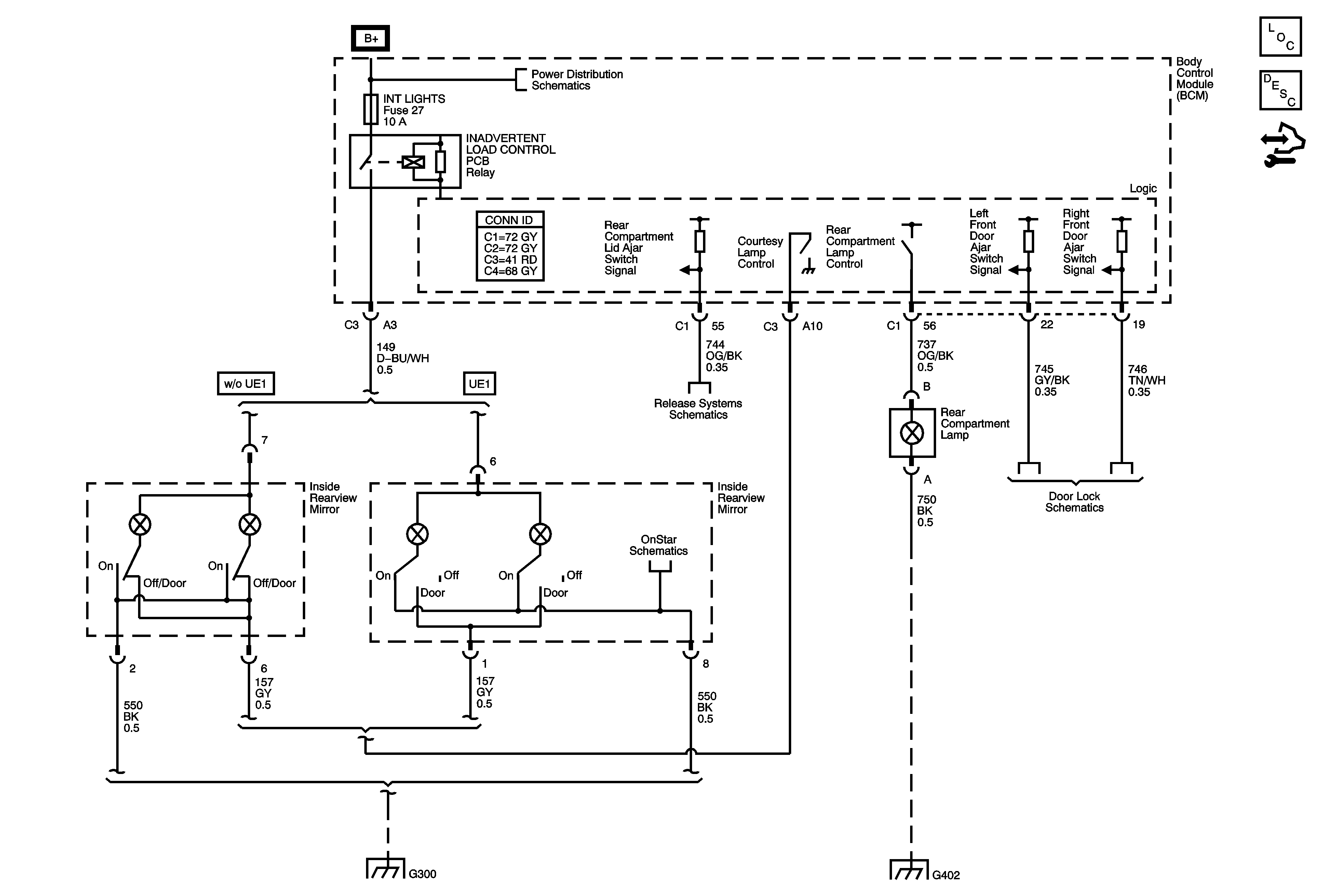
🢒 Interior Lights Schematics
Master Electrical Component List
Interior Lighting Systems Description and Operation
Control Module References
BCM Fuse (Underhood Fuse Block), DR LCK, ECM/TCM, INT LIGHT, PWR WNDW, RDO, and SDM Fuses, DOOR LOCK PCB , DOOR UNLOCK PCB, DR DOOR UNLOCK PCB, INADVERTENT LOAD CONTROL PCB, and RAP Relays (BCM)
Release System Schematics
Door Lock Schematics
G300 - 2 of 2
G301, G302, G303, G400 and G402
Master Electrical Component List
Interior Lighting Systems Description and Operation
Control Module References
Lights
I/P Dimmer Switch
WINDOWS, DOOR LKS, INT LPS, ECM/TCM, RADIO, and SDM Fuses
Release System Schematics
G300 - 2 of 2
G300 - 2 of 2
G301, G102, G303, and G402
G300 - 2 of 2