GM Service Manual Online
For 1990-2009 cars only

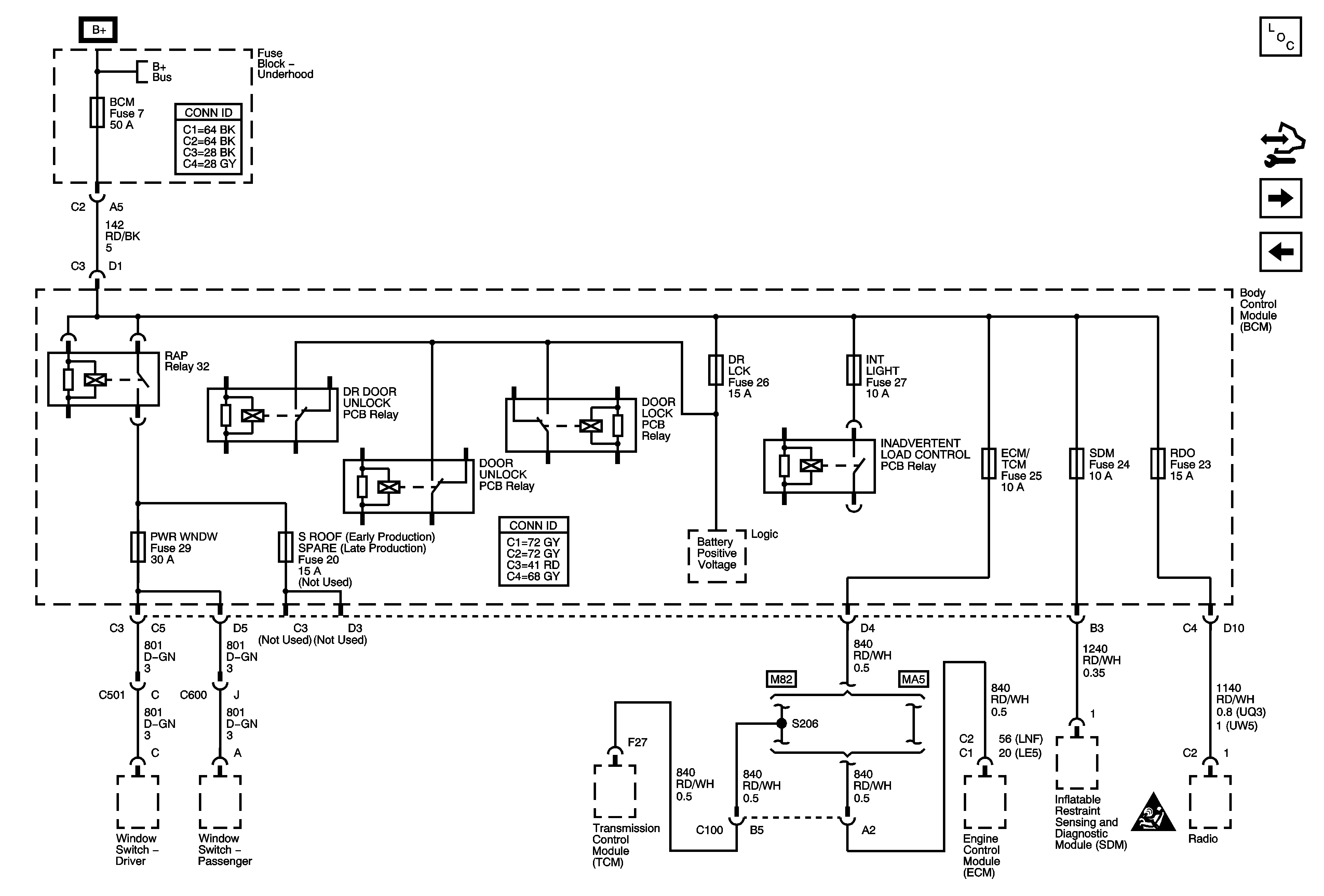
Fuse Block - Underhood BCM Fuse, BCM Fuses: ECM/TCM, DR LCK, INT LIGHT, PWR WNDW, RDO, SDM, BCM Relays: DOOR LOCK, DOOR UNLOCK, DR DOOR UNLOCK, INADVERTENT LOAD CONTROL, RAP

Fuse Block - Underhood BCM Fuse, BCM Fuses: ECM/TCM, DR LCK, INT LIGHT, PWR WNDW, RDO, SDM, BCM Relays: DOOR LOCK, DOOR UNLOCK, DR DOOR UNLOCK, INADVERTENT LOAD CONTROL, RAP


Object Number: 1740356  Size: FS
Master Electrical Component List
Control Module References
Fuse Block-Underhood BCM 2 Fuse, BCM 3 Fuse, BCM Fuses: AMP, CLSTR, HVAC/PK3, IGN SW/PK3
Fuse Block-Underhood ABS, MIR, and S BAND ONSTAR/RKE Fuses
B+ Bus - 2 of 2
Power and Grounding Schematic Icons