GM Service Manual Online
For 1990-2009 cars only
Makes
🢒
Pontiac
🢒
2007
🢒
Solstice
🢒 Starting and Charging Schematics
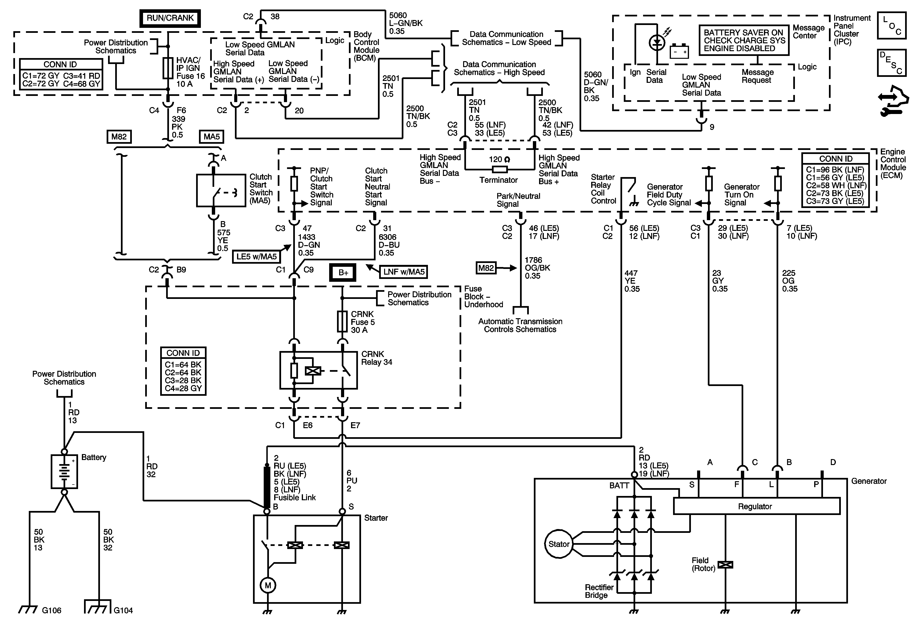
Starting and Charging Schematics
Master Electrical Component List
Charging System Description and Operation
Starting System Description and Operation
Control Module References
Fuse Block-Underhood ABS, BCK/UP LAMP, CAN VENT, ECM/TRANS, I/P IGN, OUTLET Fuses, RUN/CRNK Relay, and BCM Fuses: AIRBAG, EPS/STR WHL CNTRL, HVAC/IP IGN, WPR
Low Speed LAN
High Speed LAN
B+ Bus - 2 of 2
Shift Solenoids, TFT, and Vss
B+ Bus - 1 of 2
G103, G104, G105, G106 and G304
G103, G104, G105, G106 and G304