GM Service Manual Online
For 1990-2009 cars only
Makes
🢒
Pontiac
🢒
2007
🢒
Solstice
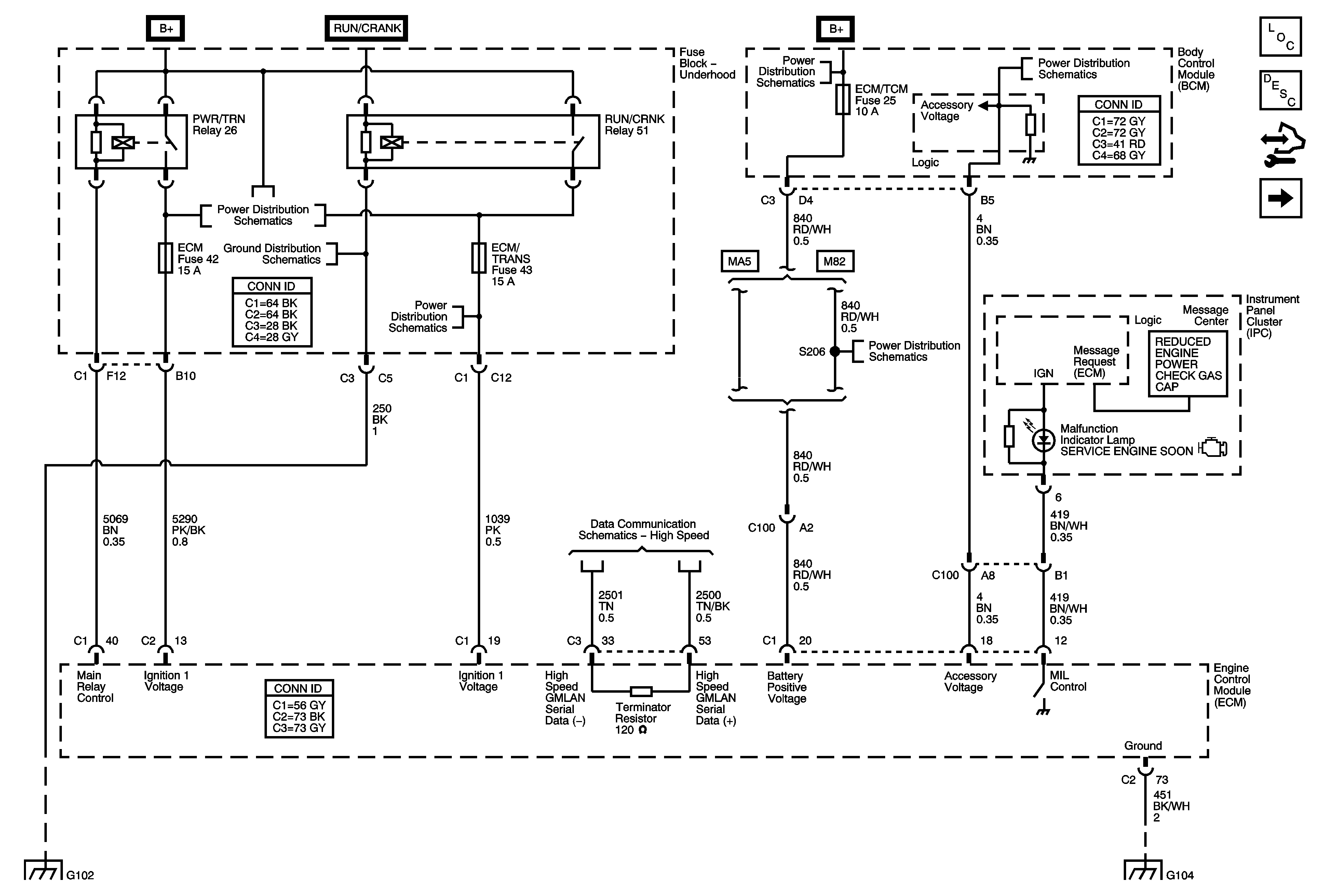
🢒 Data Link, Ground, MIL, and Power
Data Link, Ground, MIL, and Power
Data Link, Ground, MIL, and Power
Master Electrical Component List
Throttle Actuator Control (TAC) System Description
Control Module References
5-Volt and Low Reference
B+ Bus - 1 of 2
Fuse Block - Underhood BCM Fuse, BCM Fuses: ECM/TCM, DR LCK, INT LIGHT, PWR WNDW, RDO, SDM, BCM Relays: DOOR LOCK, DOOR UNLOCK, DR DOOR UNLOCK, INADVERTENT LOAD CONTROL, RAP
Ignition Switch
G101 and G102
Fuse Block-Underhood ABS, BCK/UP LAMP, CAN VENT, ECM/TRANS, I/P IGN, OUTLET Fuses, RUN/CRNK Relay, and BCM Fuses: AIRBAG, EPS/STR WHL CNTRL, HVAC/IP IGN, WPR
Fuse Block - Underhood BCM Fuse, BCM Fuses: ECM/TCM, DR LCK, INT LIGHT, PWR WNDW, RDO, SDM, BCM Relays: DOOR LOCK, DOOR UNLOCK, DR DOOR UNLOCK, INADVERTENT LOAD CONTROL, RAP
High Speed LAN
G101 and G102
G103, G104, G105, G106 and G304