GM Service Manual Online
For 1990-2009 cars only
Makes
🢒
Pontiac
🢒
2007
🢒
Solstice
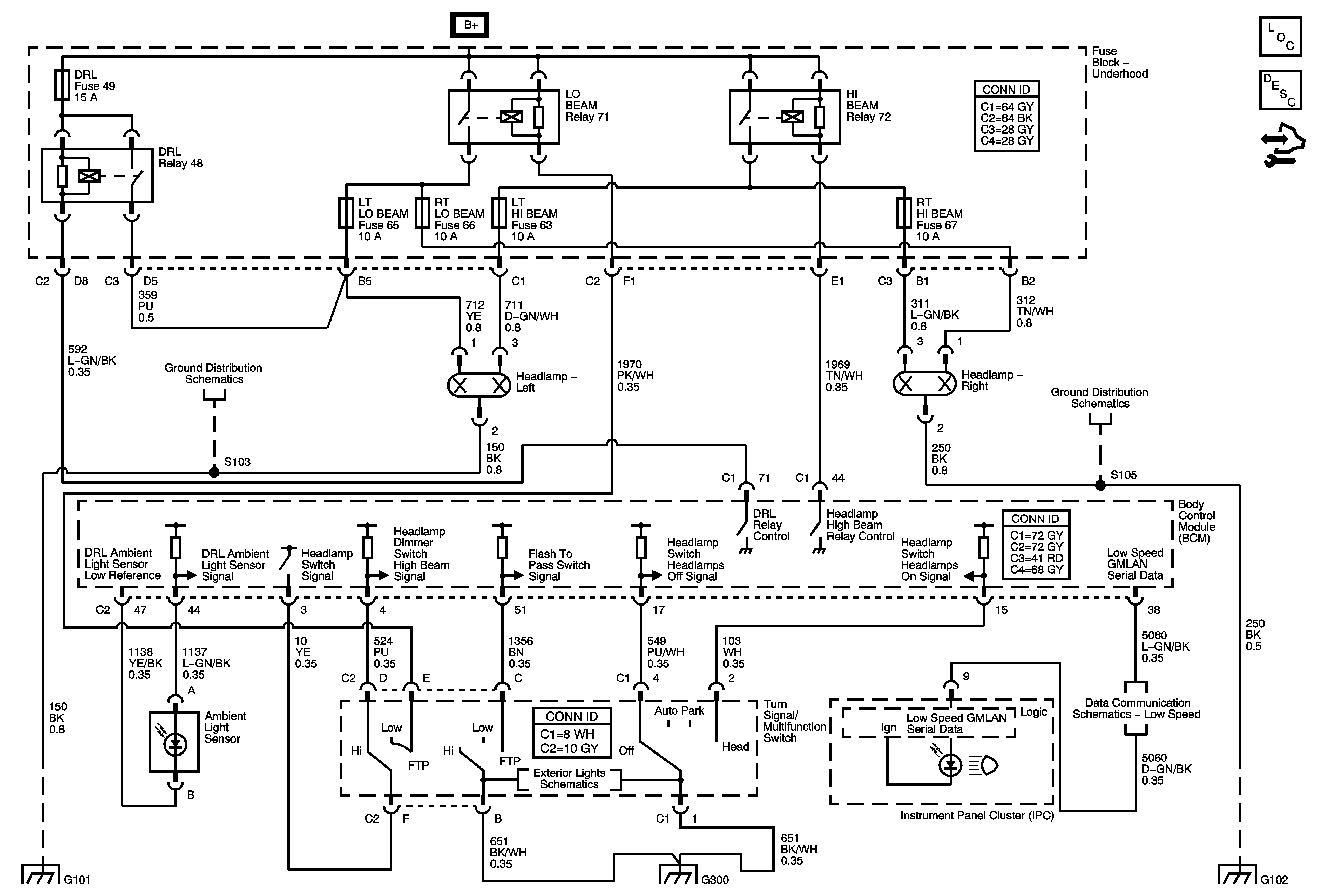
🢒 Headlights/DRL Schematics
Headlights/DRL Schematics
Master Electrical Component List
Exterior Lighting Systems Description and Operation
Control Module References
G101 and G102
G101 and G102
Low Speed LAN
G101 and G102
G300 - 2 of 2
G101 and G102