GM Service Manual Online
For 1990-2009 cars only
Makes
🢒
Pontiac
🢒
2007
🢒
Solstice
🢒 Ignition Controls - Sensors
Ignition Controls - Sensors
Ignition Controls - Sensors
Master Electrical Component List
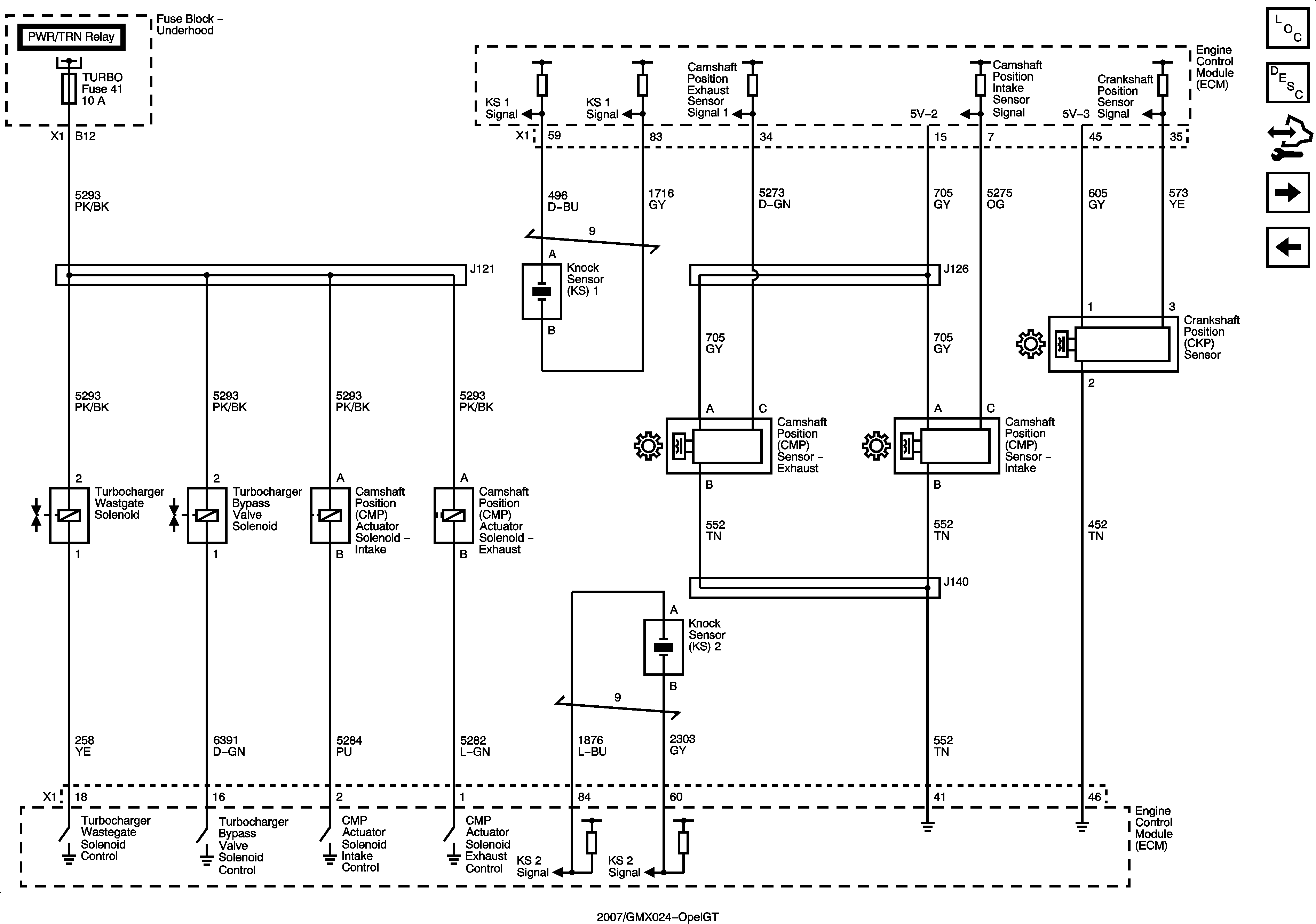
Knock Sensor (KS) System Description
Control Module References
Fuel Controls - Fuel Pump Controls and Fuel Injectors
Engine Data Sensors - Engine Throttle Controls
EMISSIONS, ECM, and LIGHTER Fuses