GM Service Manual Online
For 1990-2009 cars only
Makes
🢒
Pontiac
🢒
2000
🢒
Sunfire
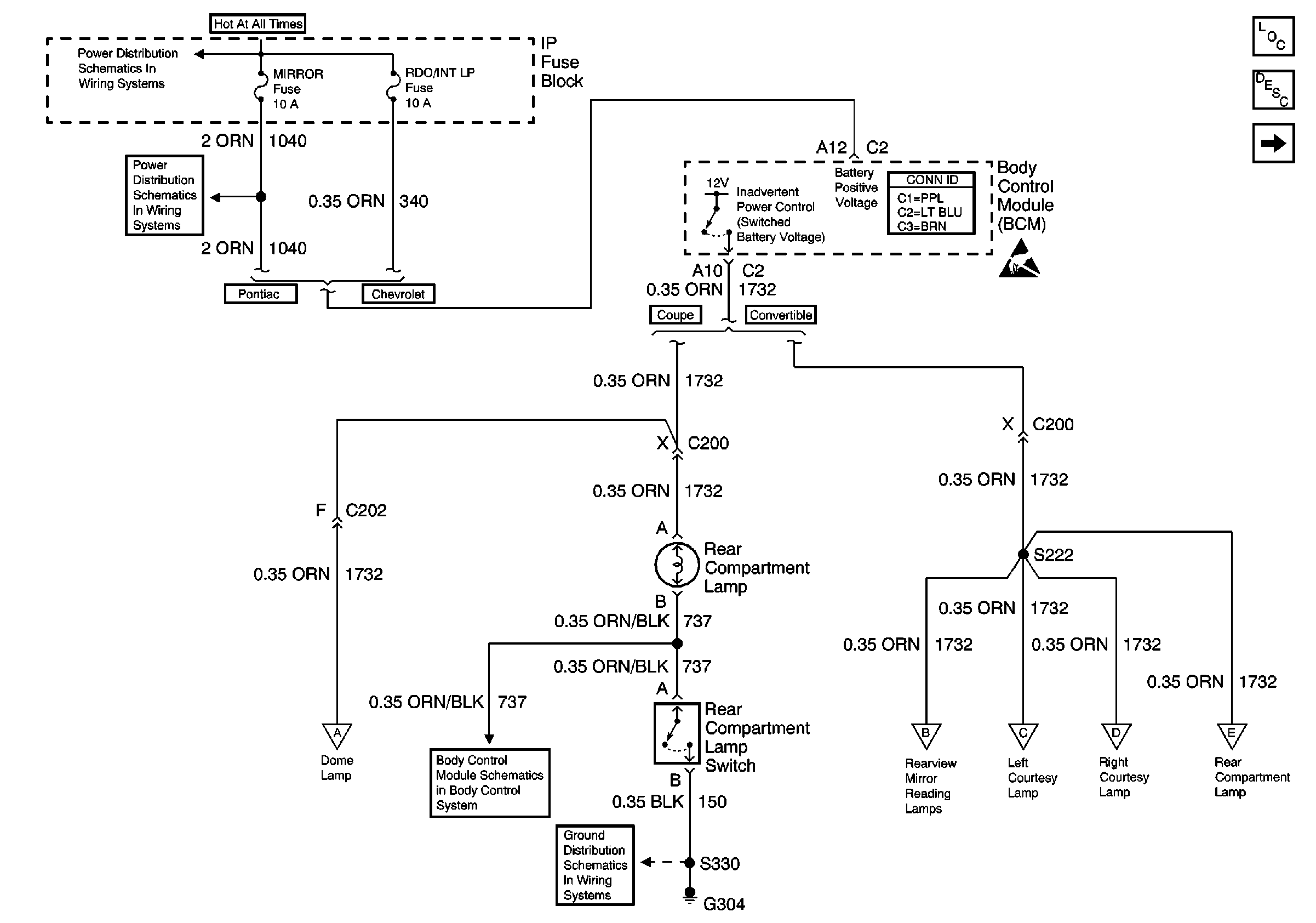
🢒 Body Control Module, Rear Compartment Lamp and Instrument Panel CompartmEnt Lamp/Switch
Body Control Module, Rear Compartment Lamp and Instrument Panel CompartmEnt Lamp/Switch
Body Control Module, Rear Compartment Lamp and Instrument Panel Compartment Lamp/Switch
Power Distribution Schematics
Power Distribution Schematics
Interior Lights Circuit Description
Coupe
Coupe
Convertible
Convertible
Convertible
Convertible
Ground Distribution Schematics
Body Control System Schematics
Lighting Systems Components