GM Service Manual Online
For 1990-2009 cars only
Makes
🢒
Pontiac
🢒
2000
🢒
Sunfire
🢒 Convertible
Convertible
Convertible
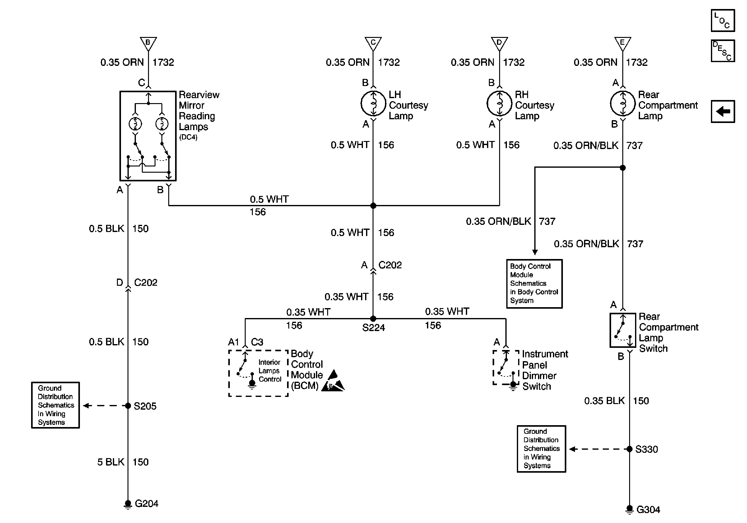
Interior Lights Circuit Description
Coupe
Body Control Module, Rear Compartment Lamp and Instrument Panel CompartmEnt Lamp/Switch
Body Control Module, Rear Compartment Lamp and Instrument Panel CompartmEnt Lamp/Switch
Body Control Module, Rear Compartment Lamp and Instrument Panel CompartmEnt Lamp/Switch
Body Control Module, Rear Compartment Lamp and Instrument Panel CompartmEnt Lamp/Switch
Ground Distribution Schematics
Ground Distribution Schematics
Body Control System Schematics
Lighting Systems Components