GM Service Manual Online
For 1990-2009 cars only
Makes
🢒
Pontiac
🢒
2000
🢒
Sunfire
🢒 Coupe
Coupe
Coupe
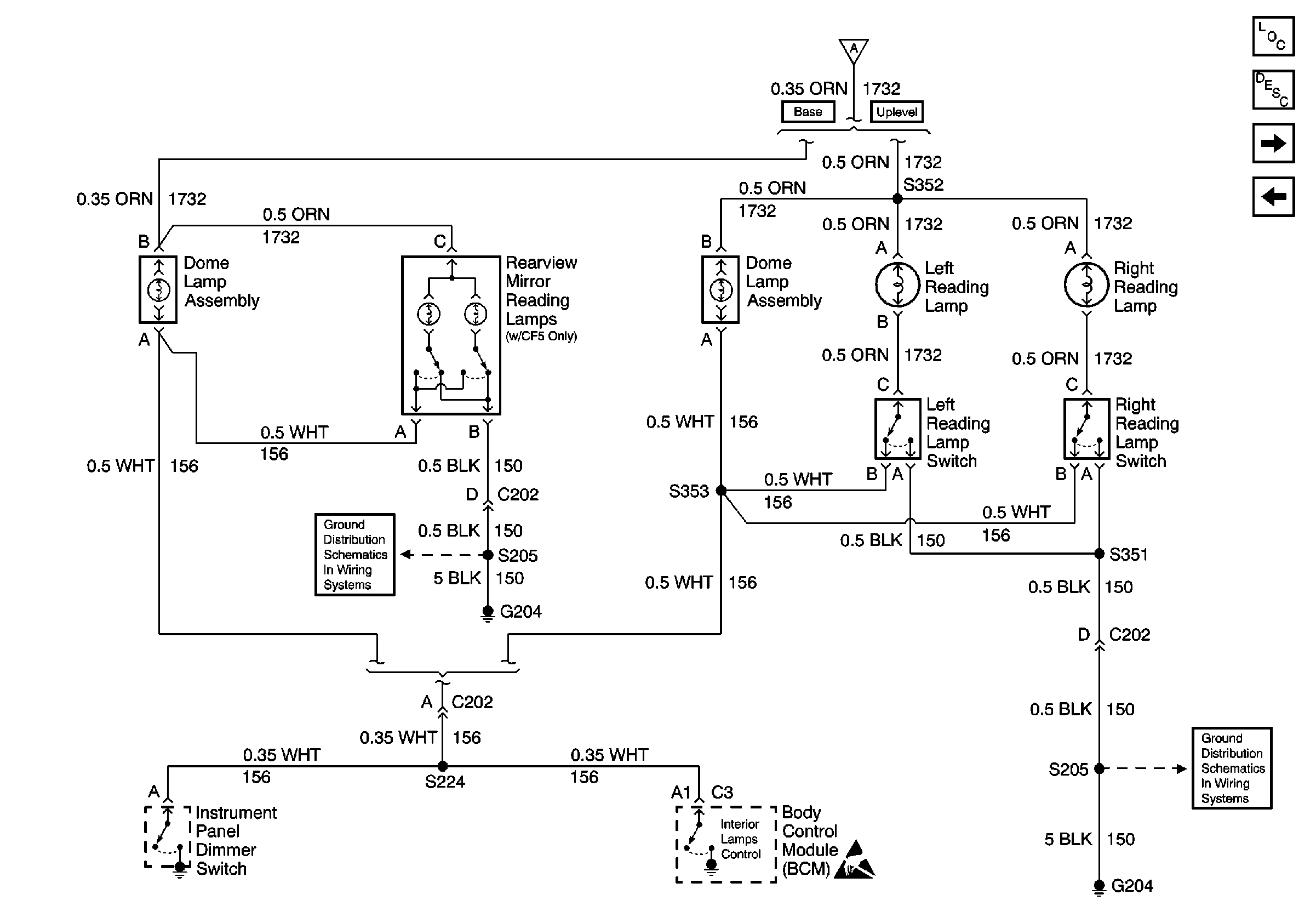
Body Control Module, Rear Compartment Lamp and Instrument Panel CompartmEnt Lamp/Switch
Ground Distribution Schematics
Ground Distribution Schematics
Interior Lights Circuit Description
Convertible
Body Control Module, Rear Compartment Lamp and Instrument Panel CompartmEnt Lamp/Switch
Lighting Systems Components