GM Service Manual Online
For 1990-2009 cars only
Makes
🢒
Pontiac
🢒
2001
🢒
Sunfire
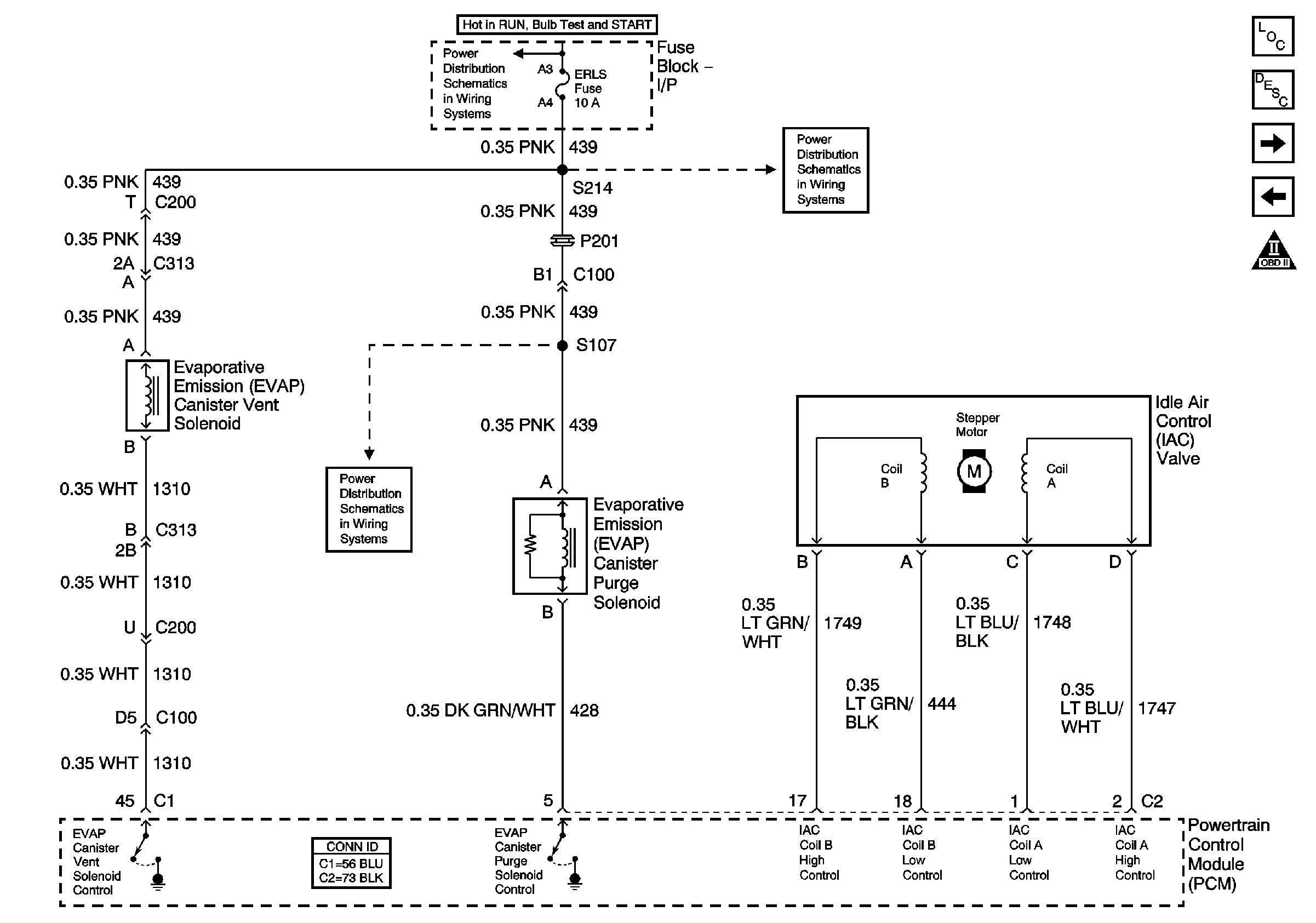
🢒 EVAP Controls and IAC
EVAP Controls and IAC
EVAP Controls and IAC
Master Electrical Component List
OBD II Symbol Description Notice
Engine Data Sensors - O2S and HO2S
Engine Data Sensors - Pressure and Temperature
OBD II Symbol Description Notice
IP Fuse Block ERLS Fuse
IP Fuse Block ERLS Fuse
IP Fuse Block ERLS Fuse