GM Service Manual Online
For 1990-2009 cars only
Makes
🢒
Pontiac
🢒
2001
🢒
Sunfire
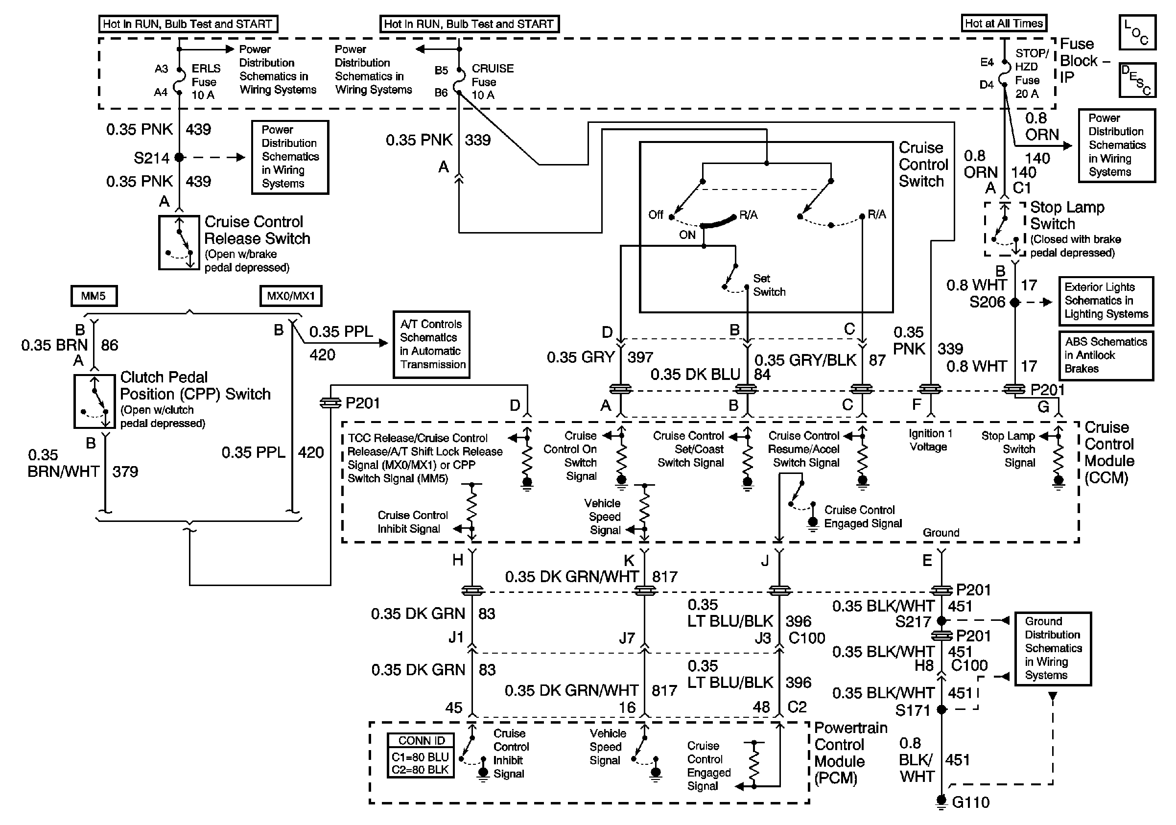
🢒 Power, Cruise Control Assembly
Power, Cruise Control Assembly
Power, Cruise Control Assembly
Master Electrical Component List
OBD II Symbol Description Notice
Power and Ground
CCM and VSS
IP Fuse Block ERLS Fuse
Cruise Control Brake Switch and TCC Solenoid