GM Service Manual Online
For 1990-2009 cars only
Makes
🢒
Pontiac
🢒
2001
🢒
Sunfire
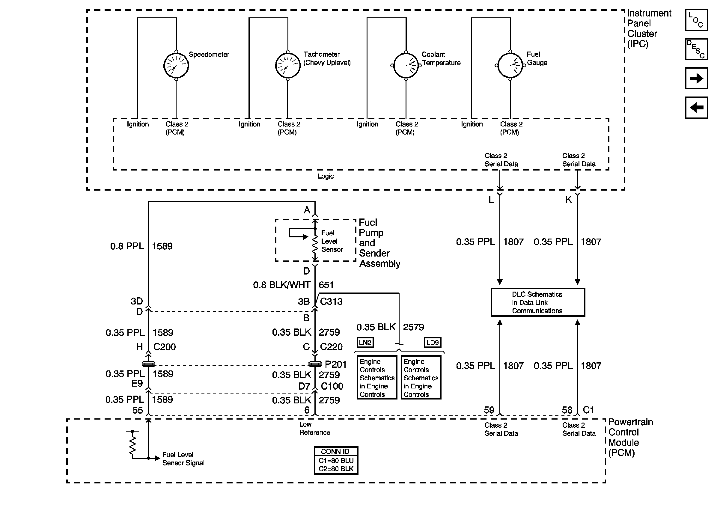
🢒 Gages
Gages
Gages
Master Electrical Component List
Indicators
Power, Ground, and Serial Data