GM Service Manual Online
For 1990-2009 cars only
Makes
🢒
Pontiac
🢒
2001
🢒
Sunfire
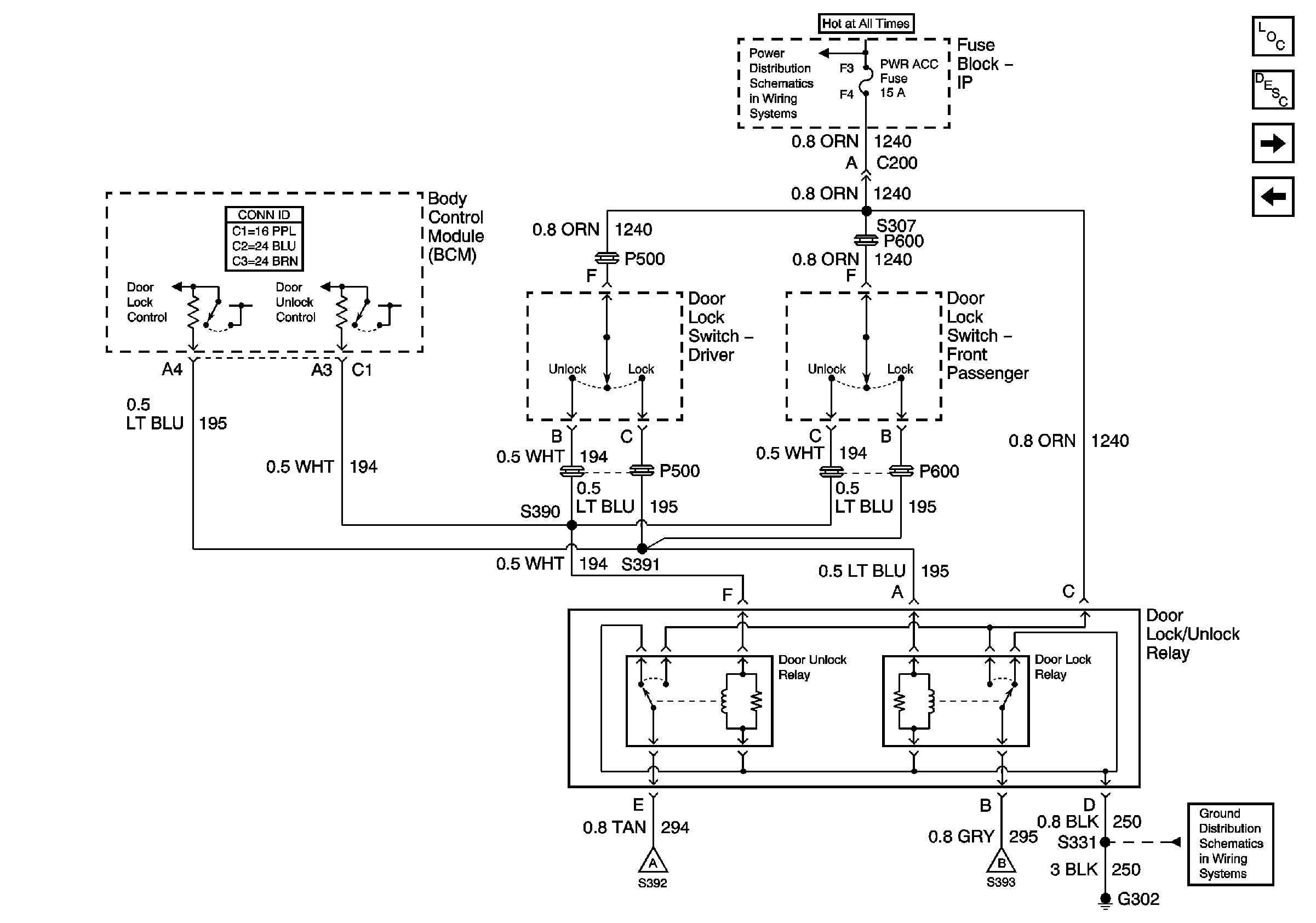
🢒 Switch and Controls - W/AUO
Switch and Controls - W/AUO
Switch and Controls -- W/AUO
Master Electrical Component List
Door Lock Motors - W/AUO
W/O AUO
G302
Door Lock Motors - W/AUO
Door Lock Motors - W/AUO
Underhood Fuse Block BATT 1 Fuse and IP Fuse Block MIRROR, RT HDLP, FLS/PASS, RDO/INTLP, RFA BATT, and AMPL Fuses
Underhood Fuse Block BATT 2 Fuse, IP Fuse Block RR DEFOG, PWR ACC and STOP/HZD Fuses