GM Service Manual Online
For 1990-2009 cars only
Makes
🢒
Pontiac
🢒
2001
🢒
Sunfire
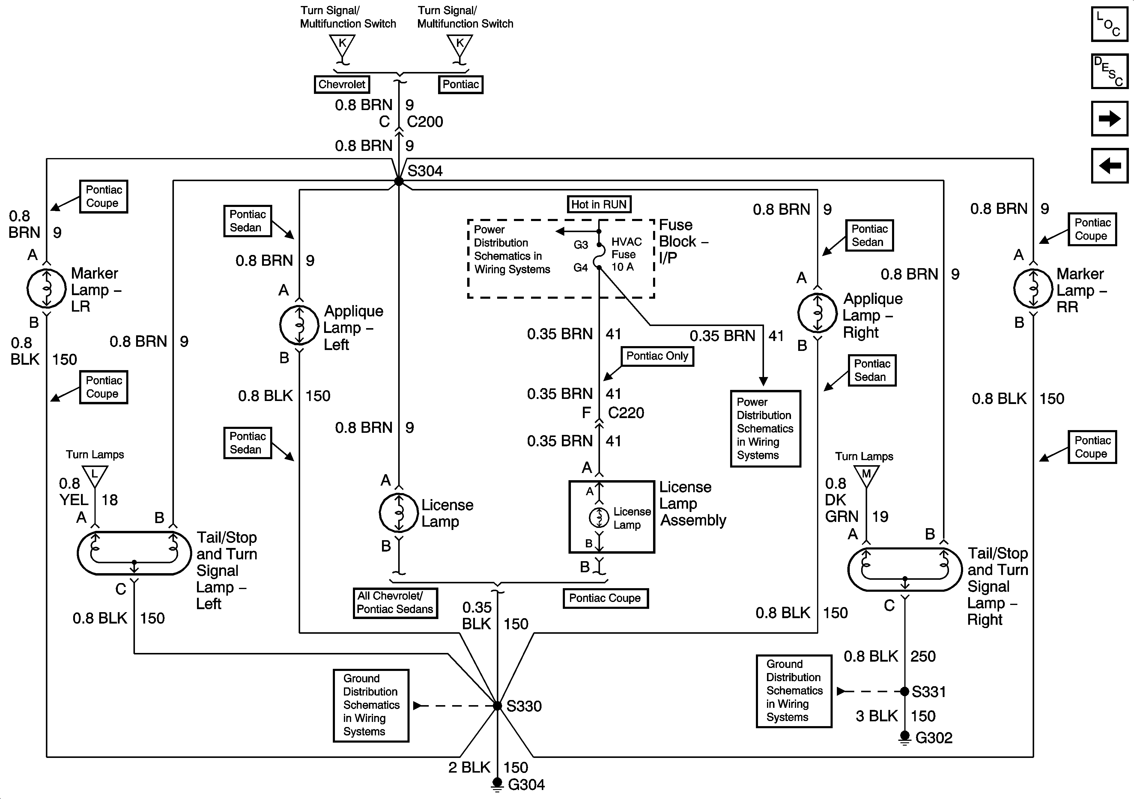
🢒 Rear Lamps
Rear Lamps
Rear Lamps
Master Electrical Component List
Back Up Lamps
Park Lamp Controls and Front Lamps - Chevrolet
Lamp Controls, Rear Torn Lamps, and Indicators
G203
Lamp Controls, Rear Torn Lamps, and Indicators
Lamp Controls, Rear Torn Lamps, and Indicators
G304 1 of 2