GM Service Manual Online
For 1990-2009 cars only
Makes
🢒
Pontiac
🢒
2003
🢒
Sunfire
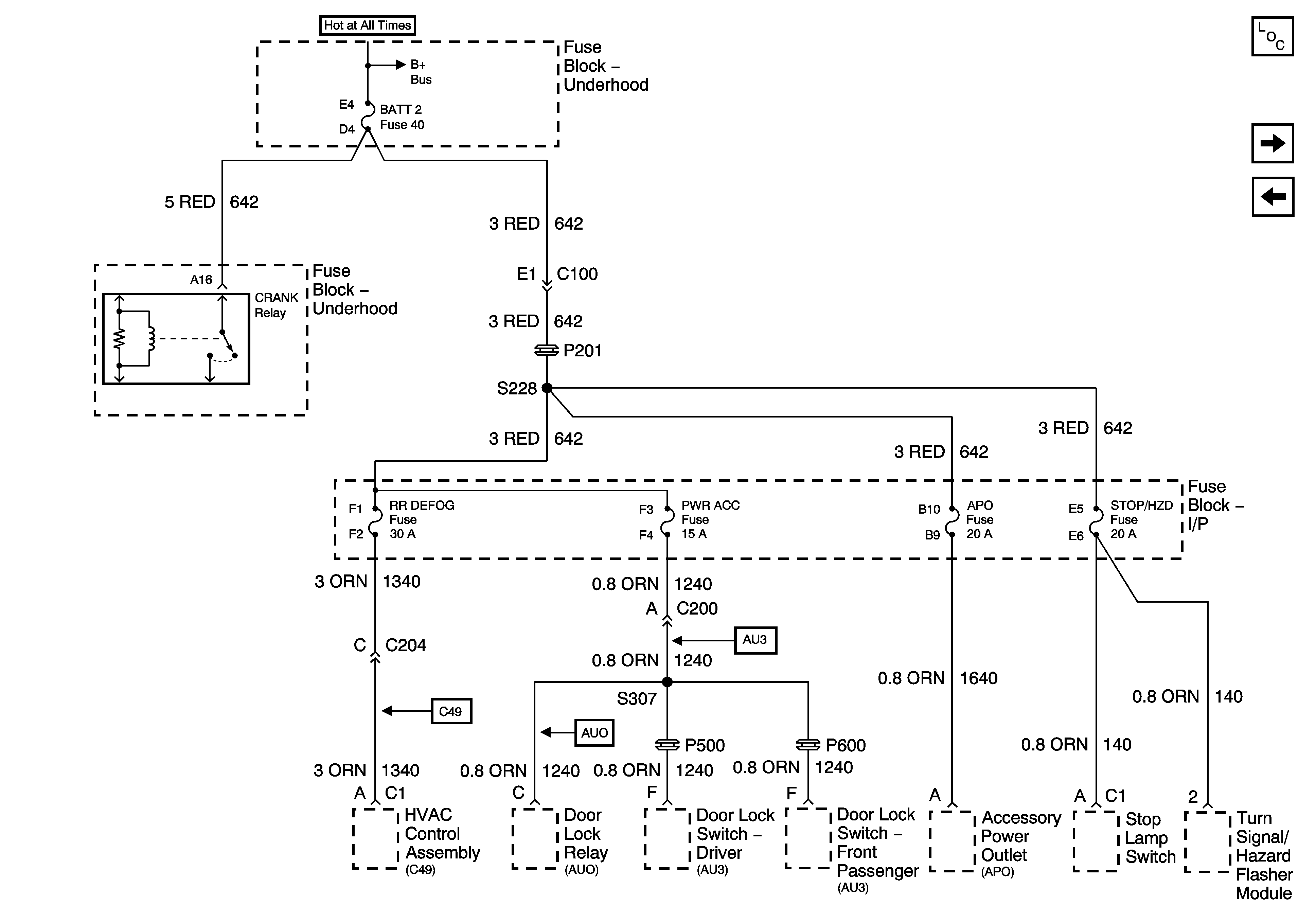
🢒 Fuse Block-Underhood BATT2 Fuse and Fuse Block-I/P RR DEFOG, PWR ACC, APO, and STOP/HZD Fuses
Fuse Block-Underhood BATT2 Fuse and Fuse Block-I/P RR DEFOG, PWR ACC, APO, and STOP/HZD Fuses
FUSE BLOCK - UNDERHOOD BATT 2, FUSE BLOCK - I/P RR DEFOG, PWR ACC, APO, STOP/HZD, FUSES
Master Electrical Component List
Fuse Block-Underhood IGN and ABS Fuses, Fuse Block-I/P ABS, F/P-INJ, AIR BG, and CRUISE (w/K34) Fuses
Fuse Block-I/P CIG, HORN, LT HDLP, CLSTR, EXT LP, FOG Fuses, and HDLP Circuit Breaker