GM Service Manual Online
For 1990-2009 cars only
Makes
🢒
Pontiac
🢒
2003
🢒
Sunfire
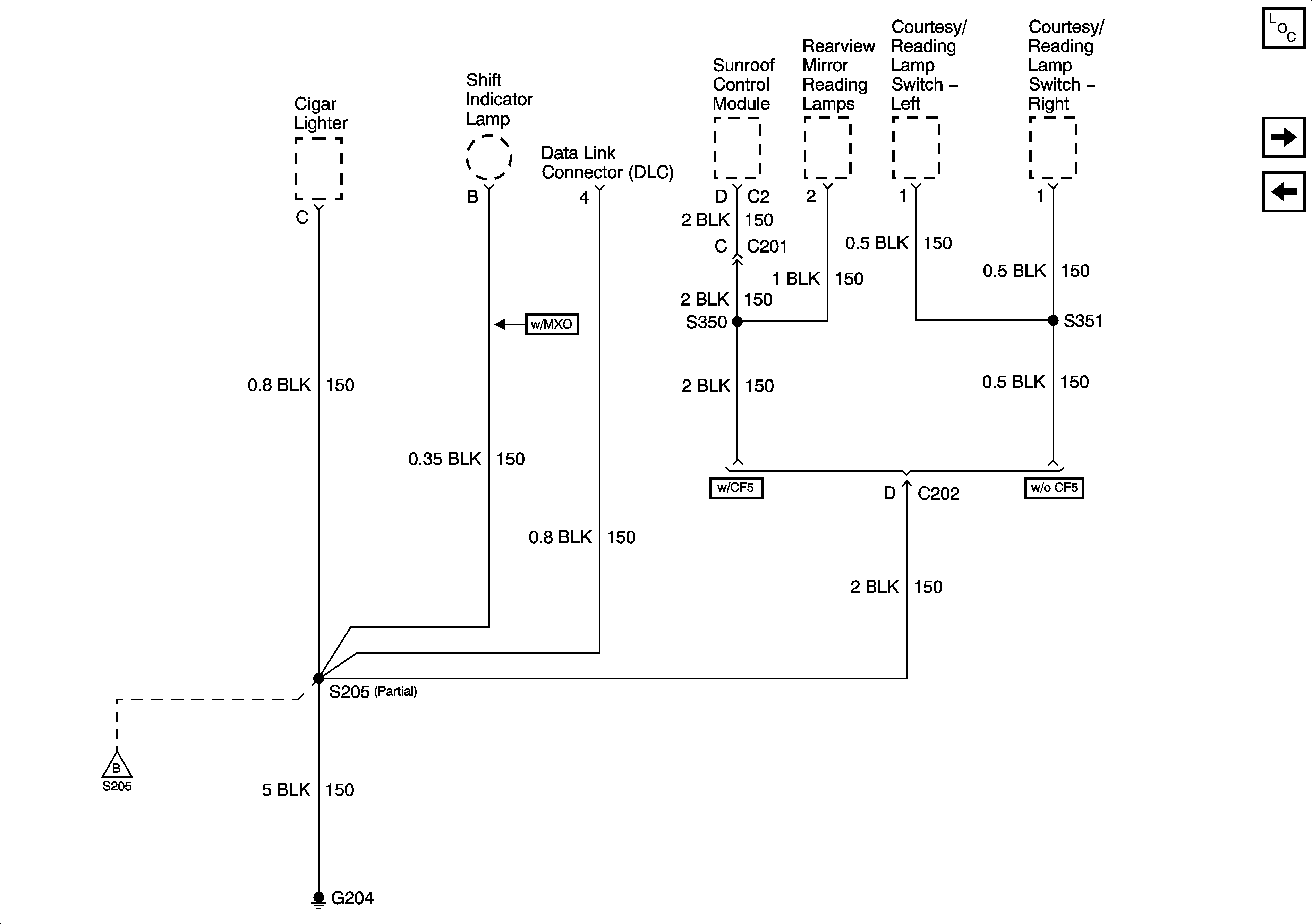
🢒 G204 1 of 2
G204 1 of 2
G204 (Page 1 of 2)
Master Electrical Component List
G204 2 of 2
G112
G204 2 of 2