GM Service Manual Online
For 1990-2009 cars only
Makes
🢒
Pontiac
🢒
2003
🢒
Sunfire
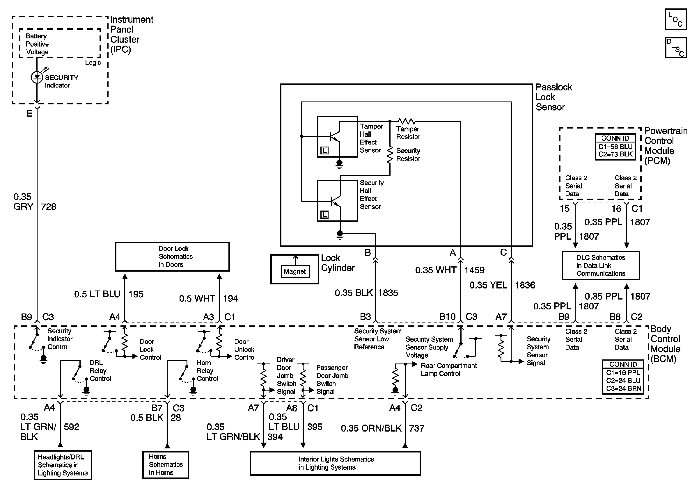
🢒 Theft Deterrent
Theft Deterrent
Master Electrical Component List
Theft Systems Description and Operation
Switch and Controls (w/AUO)
Data Link Communications
Controls and Indicators-Domestic
Horns
Door Switch Signals and Cortesy Lamps Controls