GM Service Manual Online
For 1990-2009 cars only
Makes
🢒
Pontiac
🢒
2003
🢒
Sunfire
🢒 Data Link Communications
Data Link Communications
Master Electrical Component List
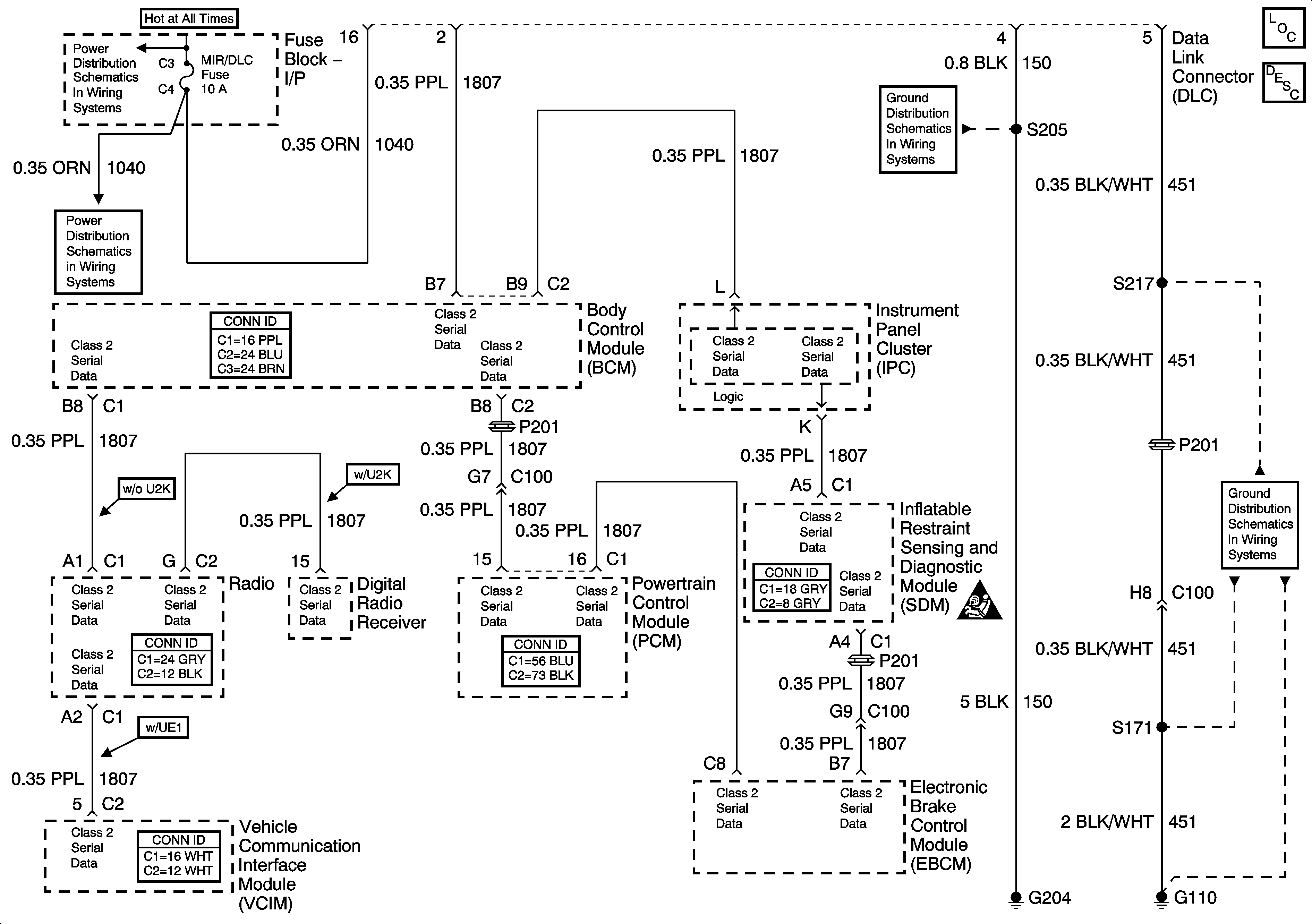
Data Link Communications Description and Operation
Fuse Block-Underhood BATT 1 Fuse, Fuse Block-I/P MIRROR, RT HDLP, FLS/PASS, RDO/INTLP, RFA BATT and AMPL Fuses
Fuse Block-Underhood BATT 1 Fuse, Fuse Block-I/P MIRROR, RT HDLP, FLS/PASS, RDO/INTLP, RFA BATT and AMPL Fuses
G204 1 of 2
G110
SIR Caution for Zoning